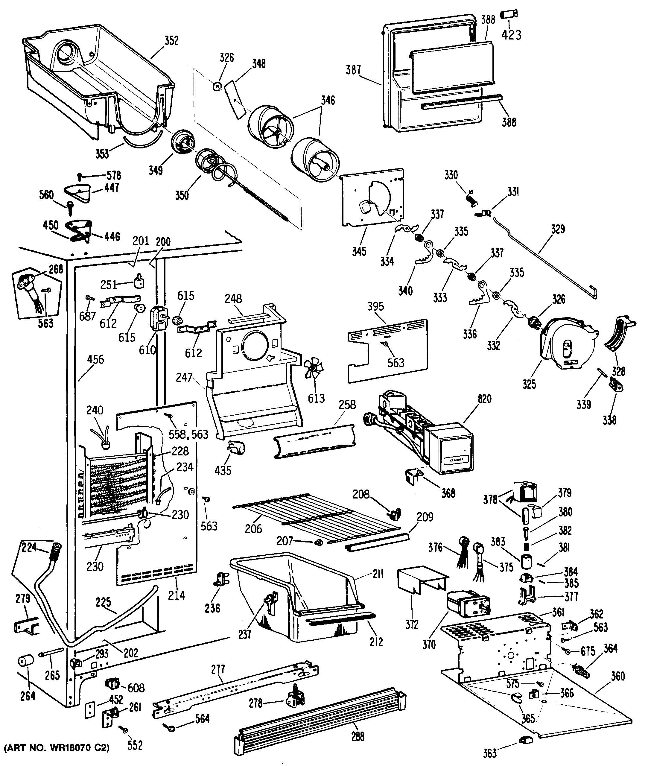
| 200 | GEN WR40X1673 |
| 201 | GEN WR40X1671 |
| 202 | GEN WR40X1669 |
| 206 | GEN WR71X1888 |
| 207 | GEN WR02X4676 |
| 208 | GEN WR02X4674 |
| 209 | GEN WR38X1952 |
| 211 | GEN WR21X0188 |
| 212 | GEN WR17X3241 |
| 214 | GEN WR17X3127 |
| 214 | GEN WR01X1332 |
| 214 | GEN WR14X0274 |
| 224 | GEN WR02X8657 |
| 225 | GEN WR02X8293 |
| 225 | GEN WR02X4838 |
| 225 | GEN WR01X5042 |
| 228 | WR87X28949 GE Refrigerator Evaporator |
| 230 | GEN WR02X8671 |
| 230 | GEN WR51X0343 |
| 230 | WR51X442 GE Refrigerator Defrost Heater Assembly |
| 234 | GEN WR23X0364 |
| 234 | GEN WR23X0365 |
| 236 | GEN WR02X4548 |
| 237 | GEN WR02X7036 |
| 240 | WR50X122 GE Refrigerator Defrost Bi-metal Thermostat |
| 247 | GEN WR17X3135 |
| 247 | GEN WR02X4845 |
| 248 | GEN WR14X0272 |
| 251 | GEN WR02X2880 |
| 258 | GEN WR17X1407 |
| 261 | WR13X10020 GE Refrigerator Door Hinge Assembly with Cam |
| 264 | WR2X3594 GE Refrigerator Wheel |
| 265 | GEN WR02X4742 |
| 265 | GEN WR02X3598 |
| 265 | GEN WR02X3595 |
| 268 | GEN WR23X0312 |
| 277 | GEN WR17X3117 |
| 278 | WHEEL ASM FRT |
| 279 | GEN WR17X3118 |
| 288 | GEN WR74X0215 |
| 293 | GEN WR02X7080 |
| 325 | WR17X2061 GE Refrigerator Crush Dispenser |
| 326 | GEN WR01X1585 |
| 326 | WR1X1367D GE Refrigerator Return Package 12 |
| 326 | GEN WR01X1366 |
| 328 | WR2X4143 GE Refrigerator Pivot |
| 328 | DEFLECTOR ICE DISP |
| 329 | GEN WR02X6326 |
| 345 | GEN WR17X2760 |
| 346 | HELIX REAR-DISP |
| 346 | HELIX FRONT-DISP |
| 348 | GEN WR02X7351 |
| 349 | WR2X4550 GE Refrigerator Drive Cup |
| 350 | GEN WR17X2740 |
| 352 | GEN WR30X0257 |
| 352 | GEN WR17X2928 |
| 353 | WR2X7905 GE Refrigerator Bucket Seal |
| 360 | GEN WR02X8730 |
| 360 | GEN WR71X2351 |
| 361 | GEN WR71X2350 |
| 362 | GEN WR02X7936 |
| 363 | GEN WR02X4465 |
| 364 | GEN WR02X7310 |
| 365 | GEN WR02X4854 |
| 366 | GEN WR01X1547 |
| 368 | GEN WR02X8459 |
| 370 | WR60X10262 GE Refrigerator Motor Crusher Dispenser |
| 370 | WR01X10618 GE Refrigerator Screw 8-18 TPT 1/4 |
| 372 | WR02X11295 GE Refrigerator Auger Motor Boot |
| 375 | GEN WR23X0194 |
| 376 | GEN WR23X0189 |
| 387 | GEN WR17X3245 |
| 388 | GEN WR38X1497 |
| 388 | WR17X10273 GE Refrigerator Door Ice Storage |
| 395 | GEN WR17X2904 |
| 423 | GEN WR02X6347 |
| 435 | WR2X9391 GE Socket and Terminal |
| 435 | RANGE ONLY 40W 120V APPL BULB |
| 446 | GEN WR13X0647 |
| 447 | GEN WR02X8263 |
| 450 | GEN WR02X4194 |
| 452 | NUTSTRIP HINGE |
| 456 | GEN WR40X1675 |
| 552 | SCR 12-24 TT HXW 1 3/64S |
| 560 | GEN WR01X1806 |
| 560 | GEN WR01X1249 |
| 564 | GEN WR01X1194 |
| 578 | WZ2X464D GE Screw |
| 608 | WR23X427 GE Refrigerator Freezer Light Switch |
| 610 | GEN WR60X0188 |
| 612 | GEN WR02X8549 |
| 613 | WR60X114 GE Refrigerator Evaporator Motor Fan Blade |
| 615 | GEN WR02X2945 |
| 820 | WR30X10093 GE Refrigerator Ice Maker |