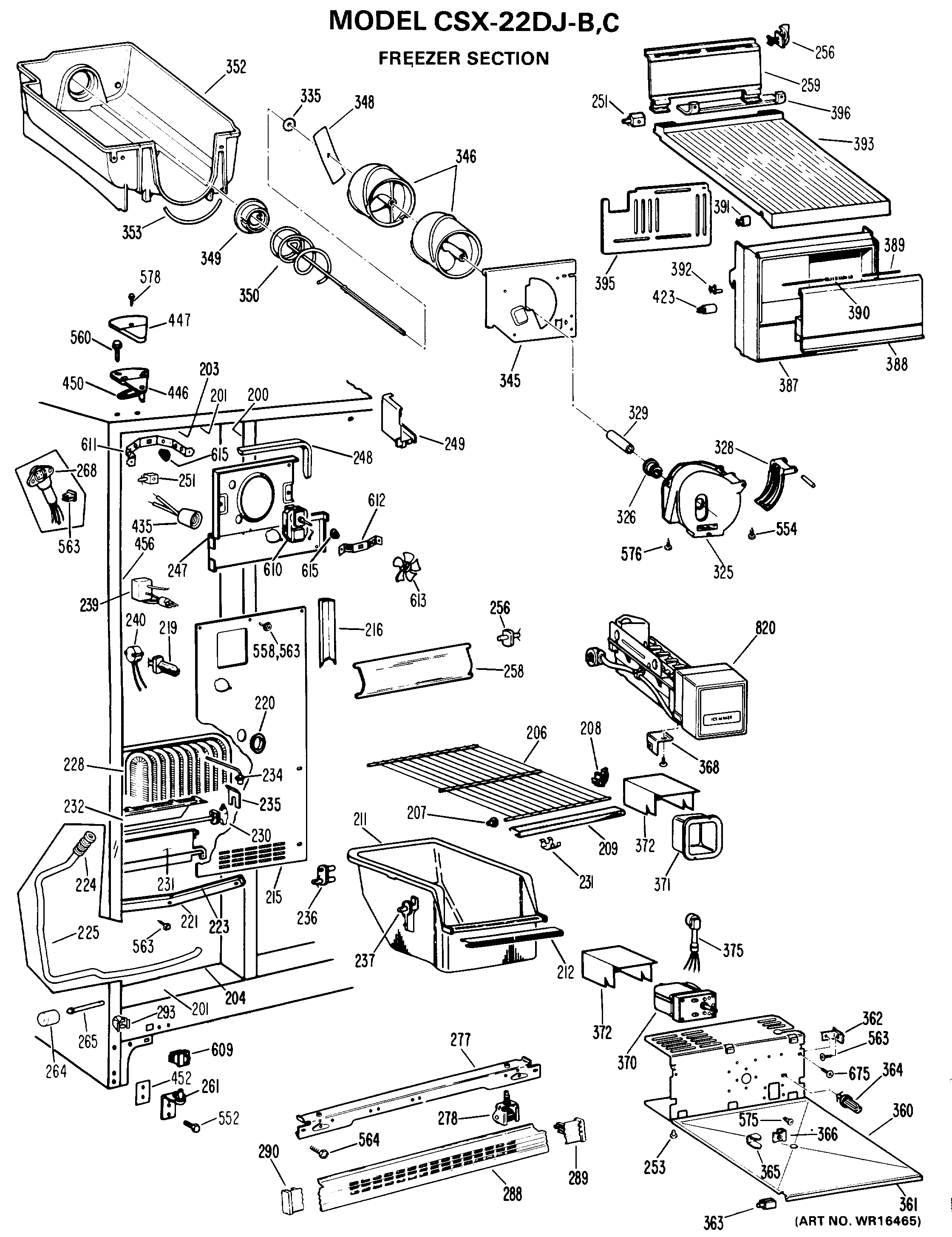
CSX22DJB FREEZER SECTION

CSX22DJB FREEZER SECTION

Products

PositionProduct
200BREAKER STRIP-FZ MULLION
201BREAKER STRIP-TOP & BTM.
203RETNR BRKR-TOP FF & FZ
204RETAINER BREAKER
204RETAINER BREAKER-BTM.
206SHELF FZ-BTM.
207GEN WR02X4676
208GEN WR02X4674
209GEN WR38X5180
211GEN WR21X5074
212GEN WR02X6042
214GEN WR01X1332
215CLIP EVAP COVER
215COVER EVAP
216GEN WR14X0274
219GEN WR02X4421
220PLUG RECESSED
221TROUGH DRAIN
221GASKET DRAIN TROUGH
224GEN WR02X4967
225GEN WR02X4838
225GEN WR17X2114
225GEN WR01X5042
228GEN WR02X4982
228GEN WR02X4983
228GEN WR85X0200
230BRACKET DEF HTR
230SHIELD DEF HTR END
230GEN WR51X0231
231GEN WR02X5008
232GEN WR02X4971
234GEN WR02X4546
236GEN WR02X4548
237GEN WR02X7036
239GEN WR23X0314
240WR50X55 GE Refrigerator Defrost Thermostat 55 Degree with Clip
247GEN WR17X1413
248GEN WR14X0272
249GEN WR17X1414
251GEN WR02X2880
256GEN WR02X4839
258GEN WR17X1407
259GEN WR17X1929
261WR13X10020 GE Refrigerator Door Hinge Assembly with Cam
264WR2X3594 GE Refrigerator Wheel
265GEN WR02X4742
265GEN WR02X3598
268GEN WR23X0312
277GEN WR17X2119
278WHEEL ASM FRT
288GEN WR02X7079
288GEN WR74X0187
289GEN WR02X7158
290GEN WR02X7159
293GEN WR02X7080
325WR17X2061 GE Refrigerator Crush Dispenser
326GEN WR01X1366
326WR1X1367D GE Refrigerator Return Package 12
326GEN WR01X1585
328DEFLECTOR ICE DISP
328WR2X4143 GE Refrigerator Pivot
329GEN WR02X6326
335GEN WR02X4139
345GEN WR17X2068
346HELIX REAR-DISP
346HELIX FRONT-DISP
348GEN WR02X7351
349WR2X4550 GE Refrigerator Drive Cup
350GEN WR17X2054
352GEN WR30X0257
353WR2X7905 GE Refrigerator Bucket Seal
360GEN WR71X1735
360GEN WR02X4566
361GEN WR71X1734
362GEN WR02X4590
363GEN WR02X4465
365GEN WR02X4854
366GEN WR01X1547
368GEN WR02X7311
370MOTOR AUGER DISP
371GEN WR17X1062
372GEN WR02X4782
372WR02X11295 GE Refrigerator Auger Motor Boot
375GEN WR23X0194
386GEN WZ06X0100
387GEN WR17X6195
388GEN WR22X5081
389GEN WR02X4262
389GEN WR02X3983
390GEN WR02X3967
391GEN WR02X4467
392GEN WR02X7358
393GEN WR71X1736
395GEN WR17X2069
396GEN WR17X5563
423GEN WR02X6347
435GEN WR02X7494
446GEN WR13X0578
447GEN WR02X7570
447GEN WR02X7569
450GEN WR02X4194
452SHIM HINGE BTM.