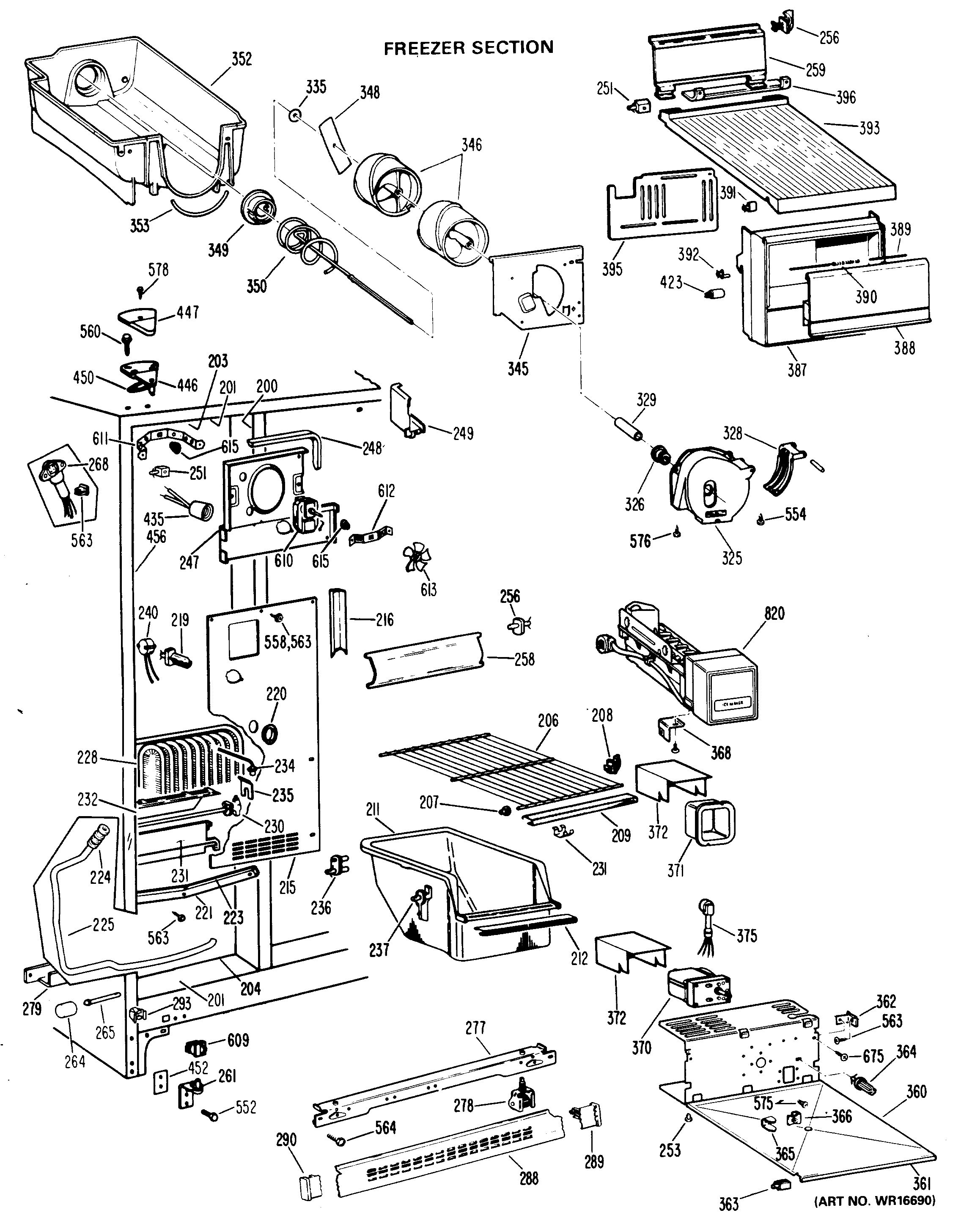
| 200 | BREAKER STRIP-FZ MULLION |
| 201 | BREAKER STRIP-TOP & BTM. |
| 203 | RETNR BRKR-TOP FF & FZ |
| 204 | RETAINER BREAKER-BTM. |
| 204 | RETAINER BREAKER |
| 206 | SHELF FZ-BTM. |
| 207 | GEN WR02X4676 |
| 208 | GEN WR02X4674 |
| 209 | GEN WR38X5180 |
| 211 | GEN WR21X5074 |
| 212 | GEN WR02X6042 |
| 215 | COVER EVAP |
| 216 | GEN WR14X0274 |
| 219 | GEN WR02X4421 |
| 220 | PLUG RECESSED |
| 221 | GASKET DRAIN TROUGH |
| 221 | TROUGH DRAIN |
| 224 | GEN WR02X4967 |
| 225 | GEN WR17X2114 |
| 225 | GEN WR02X4838 |
| 228 | GEN WR02X4982 |
| 228 | GEN WR02X4983 |
| 228 | GEN WR85X0200 |
| 230 | BRACKET DEF HTR |
| 230 | SHIELD DEF HTR END |
| 230 | GEN WR51X0231 |
| 231 | GEN WR02X5008 |
| 232 | GEN WR02X4971 |
| 234 | GEN WR02X4546 |
| 236 | GEN WR02X4548 |
| 237 | GEN WR02X7036 |
| 240 | WR50X55 GE Refrigerator Defrost Thermostat 55 Degree with Clip |
| 247 | GEN WR17X1413 |
| 248 | GEN WR14X0272 |
| 249 | GEN WR17X1414 |
| 251 | GEN WR02X2880 |
| 256 | GEN WR02X4839 |
| 258 | GEN WR17X1407 |
| 259 | GEN WR17X1929 |
| 261 | WR13X10020 GE Refrigerator Door Hinge Assembly with Cam |
| 264 | WR2X3594 GE Refrigerator Wheel |
| 265 | GEN WR02X4742 |
| 265 | GEN WR02X3598 |
| 268 | GEN WR23X0312 |
| 277 | GEN WR17X2119 |
| 278 | WHEEL ASM FRT |
| 279 | RAIL MACH MTG REAR |
| 288 | GEN WR74X0187 |
| 288 | GEN WR02X7079 |
| 289 | GEN WR02X7158 |
| 290 | GEN WR02X7159 |
| 293 | GEN WR02X7080 |
| 325 | WR17X2061 GE Refrigerator Crush Dispenser |
| 326 | GEN WR01X1366 |
| 326 | GEN WR01X1585 |
| 326 | WR1X1367D GE Refrigerator Return Package 12 |
| 328 | DEFLECTOR ICE DISP |
| 328 | WR2X4143 GE Refrigerator Pivot |
| 329 | GEN WR02X6326 |
| 335 | GEN WR02X4139 |
| 345 | GEN WR17X2068 |
| 346 | HELIX FRONT-DISP |
| 346 | HELIX REAR-DISP |
| 348 | GEN WR02X7351 |
| 349 | WR2X4550 GE Refrigerator Drive Cup |
| 350 | GEN WR17X2054 |
| 352 | GEN WR30X0257 |
| 353 | WR2X7905 GE Refrigerator Bucket Seal |
| 360 | GEN WR71X1735 |
| 360 | GEN WR02X4566 |
| 361 | GEN WR71X1734 |
| 362 | GEN WR02X4590 |
| 363 | GEN WR02X4465 |
| 365 | GEN WR02X4854 |
| 366 | GEN WR01X1547 |
| 368 | GEN WR02X7311 |
| 370 | MOTOR AUGER DISP |
| 371 | GEN WR17X1062 |
| 372 | GEN WR02X4782 |
| 372 | WR02X11295 GE Refrigerator Auger Motor Boot |
| 375 | GEN WR23X0194 |
| 386 | GEN WZ06X0100 |
| 387 | GEN WR17X6195 |
| 388 | GEN WR22X5081 |
| 389 | GEN WR02X4262 |
| 389 | GEN WR02X3983 |
| 390 | GEN WR02X3967 |
| 391 | GEN WR02X4467 |
| 392 | GEN WR02X7358 |
| 393 | GEN WR71X1736 |
| 395 | GEN WR17X2069 |
| 396 | GEN WR17X5563 |
| 423 | GEN WR02X6347 |
| 435 | WR2X9391 GE Socket and Terminal |
| 446 | GEN WR13X0578 |
| 447 | GEN WR02X7569 |
| 447 | GEN WR02X7570 |
| 452 | GEN WR02X7011 |
| 452 | NUTSTRIP HINGE |
| 456 | RETAINER BREAKER |
| 456 | BREAKER STRIP-HINGE SIDE |
| 552 | SCR 12-24 TT HXW 1 3/64S |
| 554 | SCR 12-24 TT HXW 1 3/64S |