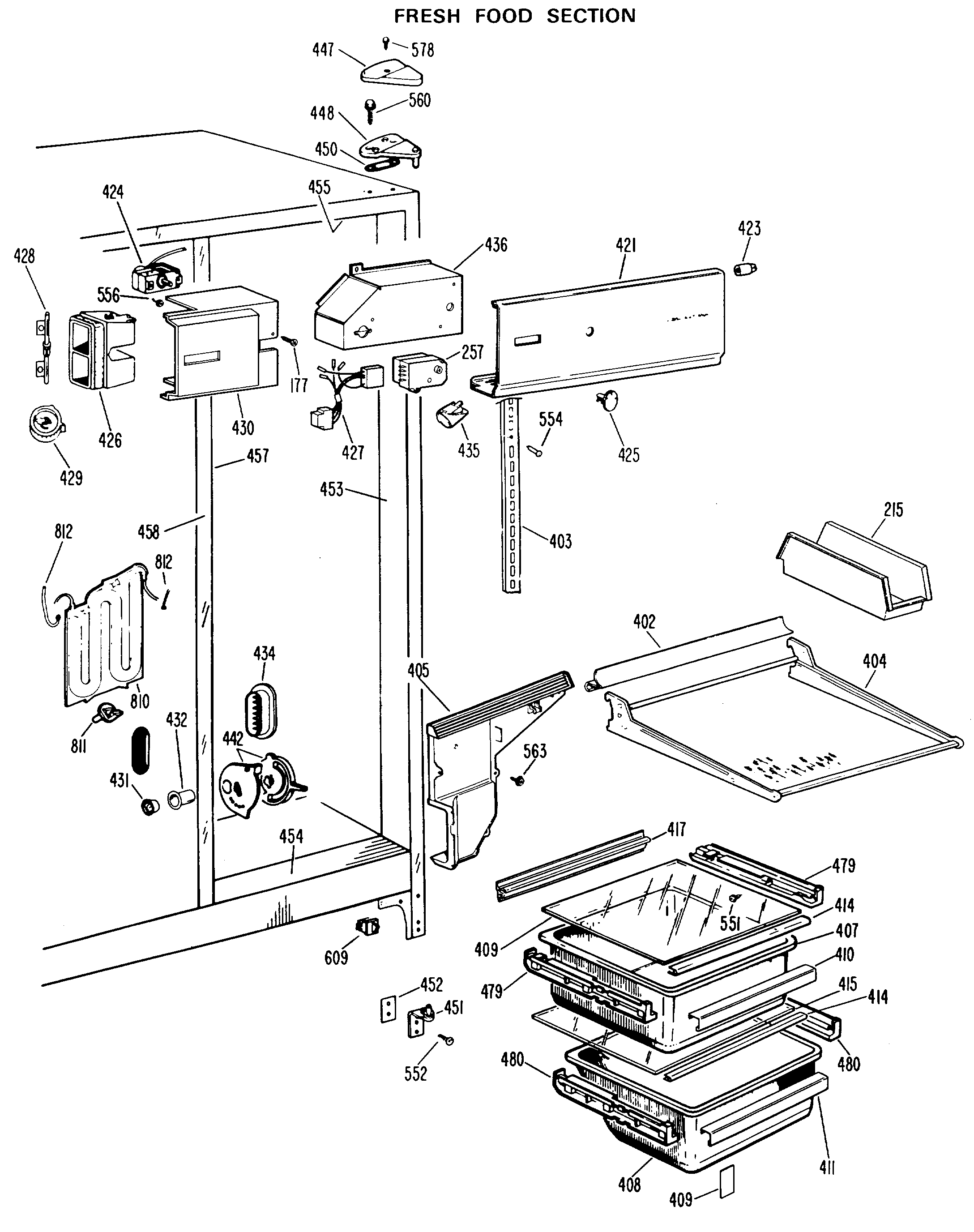
CSX22DLK FRESH FOOD SECTION