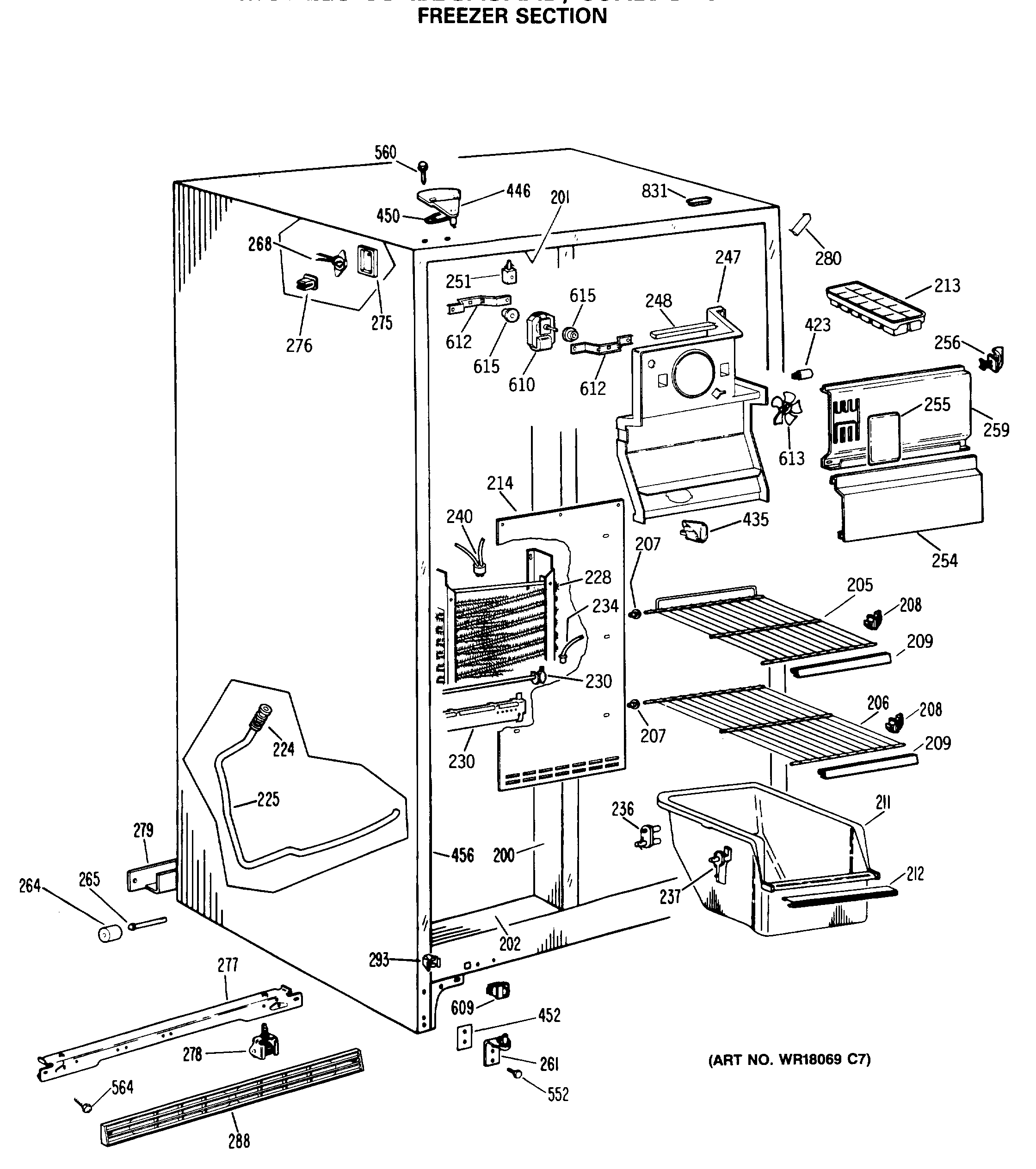
CSX22GASAWH FREEZER SECTIONadmin2025-04-26T08:38:01+00:00CSX22GASAWH FREEZER SECTION ProductsPositionProduct200GEN WR40X1673201GEN WR40X1671202GEN WR40X1669205GEN WR71X1656206GEN WR71X1888207GEN WR02X4676208GEN WR02X4674209GEN WR38X1952211GEN WR21X0188212GEN WR17X3241213WR30X311 GE Refrigerator Ice Tray214GEN WR14X0274214GEN WR02X7257214GEN WR17X3111214GEN WR01X1332224GEN WR02X8657225GEN WR02X8293225GEN WR01X5042225GEN WR02X4838228WR87X28949 GE Refrigerator Evaporator230WR51X442 GE Refrigerator Defrost Heater Assembly230GEN WR51X0343230GEN WR02X8671234GEN WR23X0365234GEN WR23X0364236GEN WR02X4548237GEN WR02X7036240WR50X122 GE Refrigerator Defrost Bi-metal Thermostat247GEN WR02X4845247GEN WR17X3116248GEN WR14X0272251GEN WR02X2880254GEN WR17X1567255GEN WR02X6254256GEN WR02X4839259GEN WR17X3234261GEN WR02X6087261WR13X10020 GE Refrigerator Door Hinge Assembly with Cam264WR2X3594 GE Refrigerator Wheel265GEN WR02X3595265GEN WR02X3598265GEN WR02X4742268GEN WR23X0312275GEN WR02X4339277GEN WR17X3136278WHEEL ASM FRT279GEN WR17X3137280GEN WR02X8518288GEN WR74X0216293GEN WR02X7080423GEN WR02X6350423GEN WR02X6347435RANGE ONLY 40W 120V APPL BULB435WR2X9391 GE Socket and Terminal446GEN WR13X0647450GEN WR02X4194452NUTSTRIP HINGE456GEN WR40X1675560GEN WR01X1249560GEN WR01X1806564GEN WR01X1194609WR23X37285 GE Light Switch610GEN WR60X0188612GEN WR02X8549613WR60X114 GE Refrigerator Evaporator Motor Fan Blade615GEN WR02X2945831GEN WR02X8550