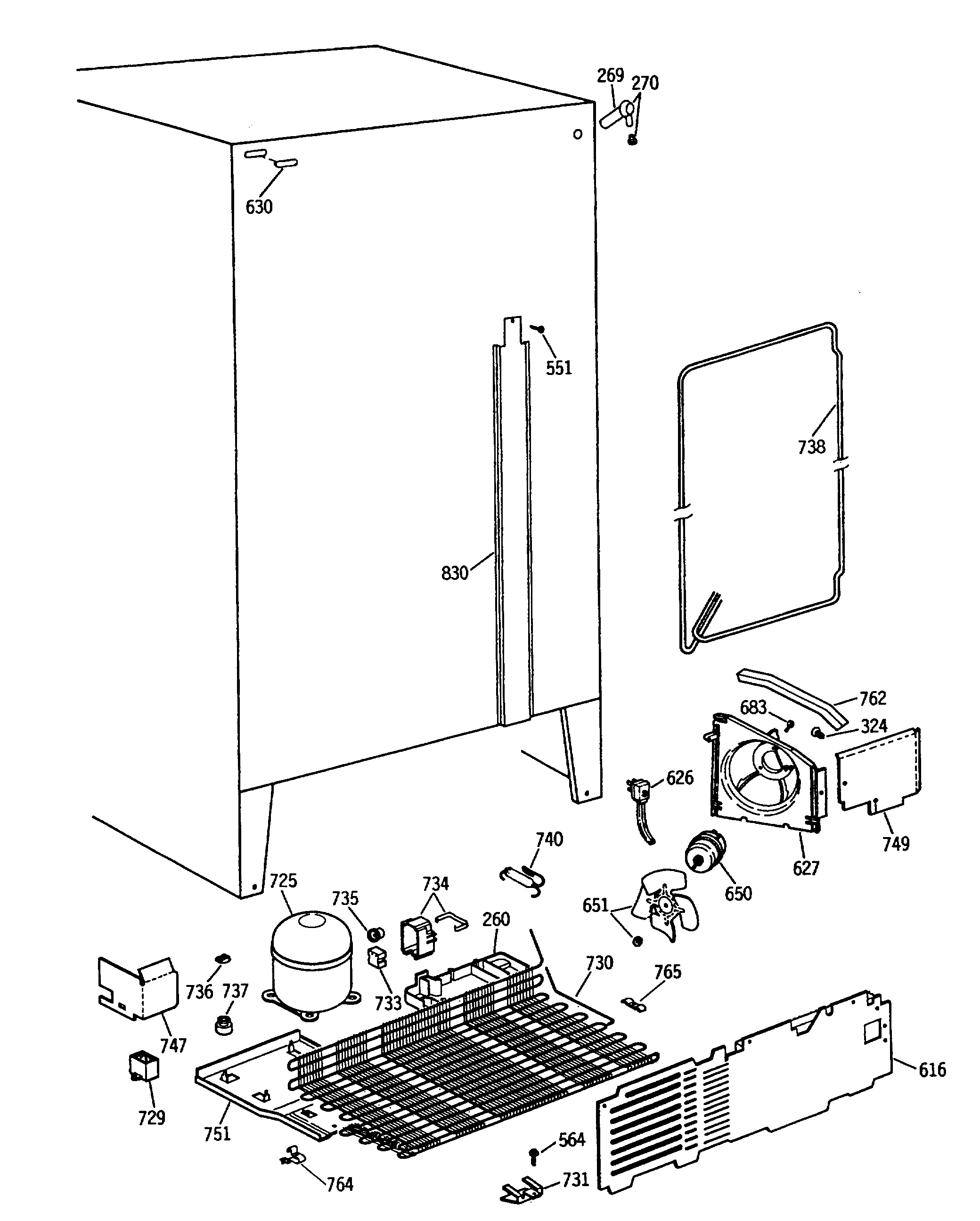
CSX22GASBWH 1