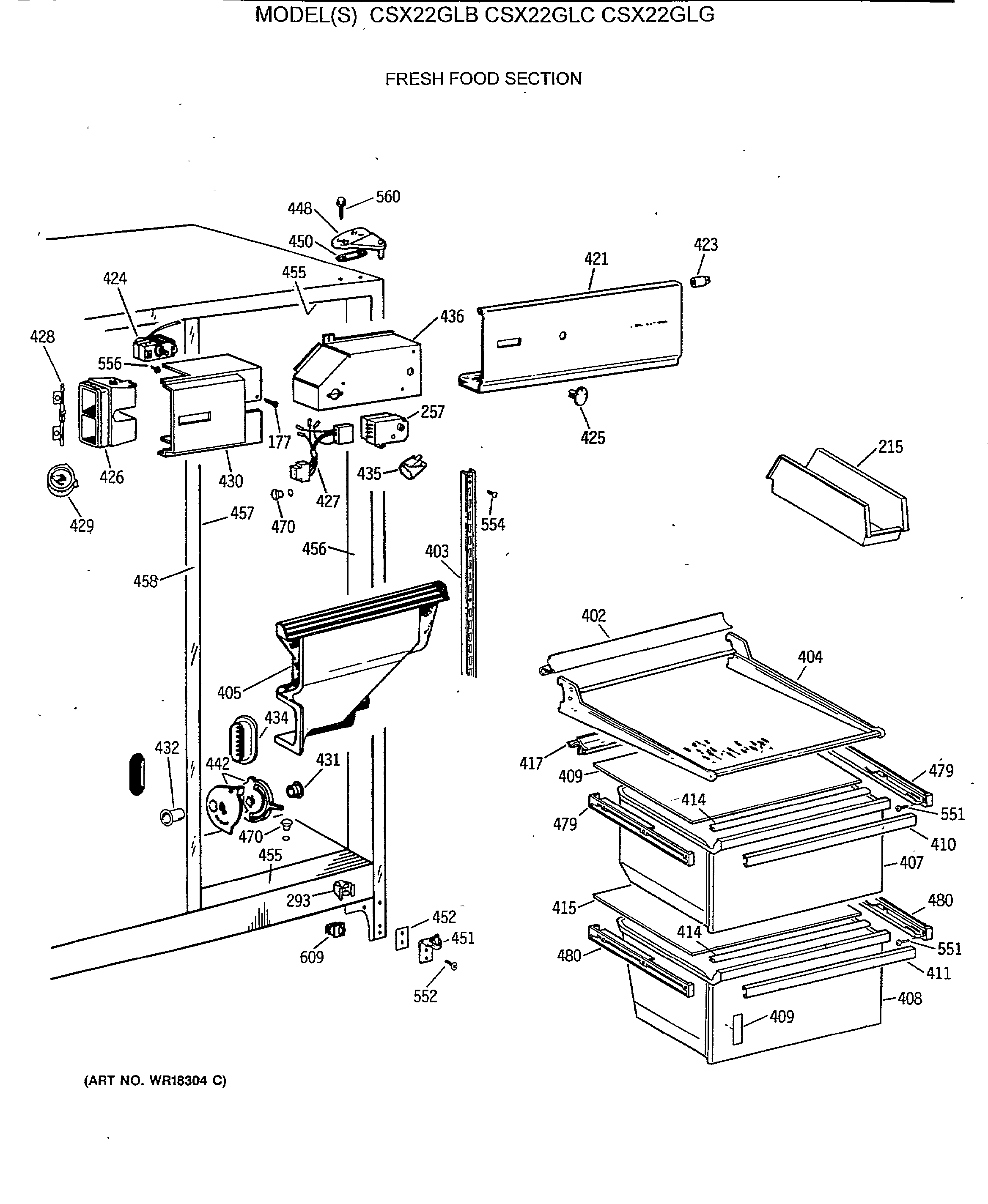
CSX22GLC FRESH FOOD SECTIONadmin2025-04-26T08:38:10+00:00CSX22GLC FRESH FOOD SECTION ProductsPositionProduct177SCREW215GEN WR32X0897257WR9X502 GE Refrigerator Defrost Timer293GEN WR02X7080402GEN WR38X0959403GEN WR72X0062404GEN WR71X1850405GEN WR17X1523405GEN WR14X0264407GEN WR32X1053408GEN WR32X1052409GEN WR32X5177409GEN WR02X7214410GEN WR17X2313411GEN WR17X2314414GEN WR14X0339415GEN WR32X0886417GEN WR02X7359421GEN WR17X2501423GEN WR02X6347423GEN WR02X6350424GEN WR09X0442425GEN WR02X7157426GEN WR02X8425426GEN WR02X8043426GEN WR14X0369427GEN WR23X0316428GEN WR02X4835429GEN WR02X4836430GEN WR17X2209431GEN WR02X6146432GEN WR02X3886434GEN WR02X4542435RANGE ONLY 40W 120V APPL BULB435WR2X9391 GE Socket and Terminal436GEN WR02X7736442GEN WR02X7035448GEN WR13X0579450GEN WR02X4194451WR13X10020 GE Refrigerator Door Hinge Assembly with Cam452NUTSTRIP HINGE455GEN WR40X1635456GEN WR40X1632457GEN WR40X1640458GEN WR02X7033458GEN WR02X4739458GEN WR40X1576458GEN WR02X7031470WR2X3139 GE Refrigerator Plug Button479GEN WR72X0087479WR72X207 GE Refrigerator Left Hand Slide Assembly480GEN WR72X0084480GEN WR72X0085551GEN WZ04X0244552SCR 12-24 TT HXW 1 3/64S554GEN WR01X1483556SCR 8-32 MA TR 1/4 SS560GEN WR01X1249609WR23X37285 GE Light Switch