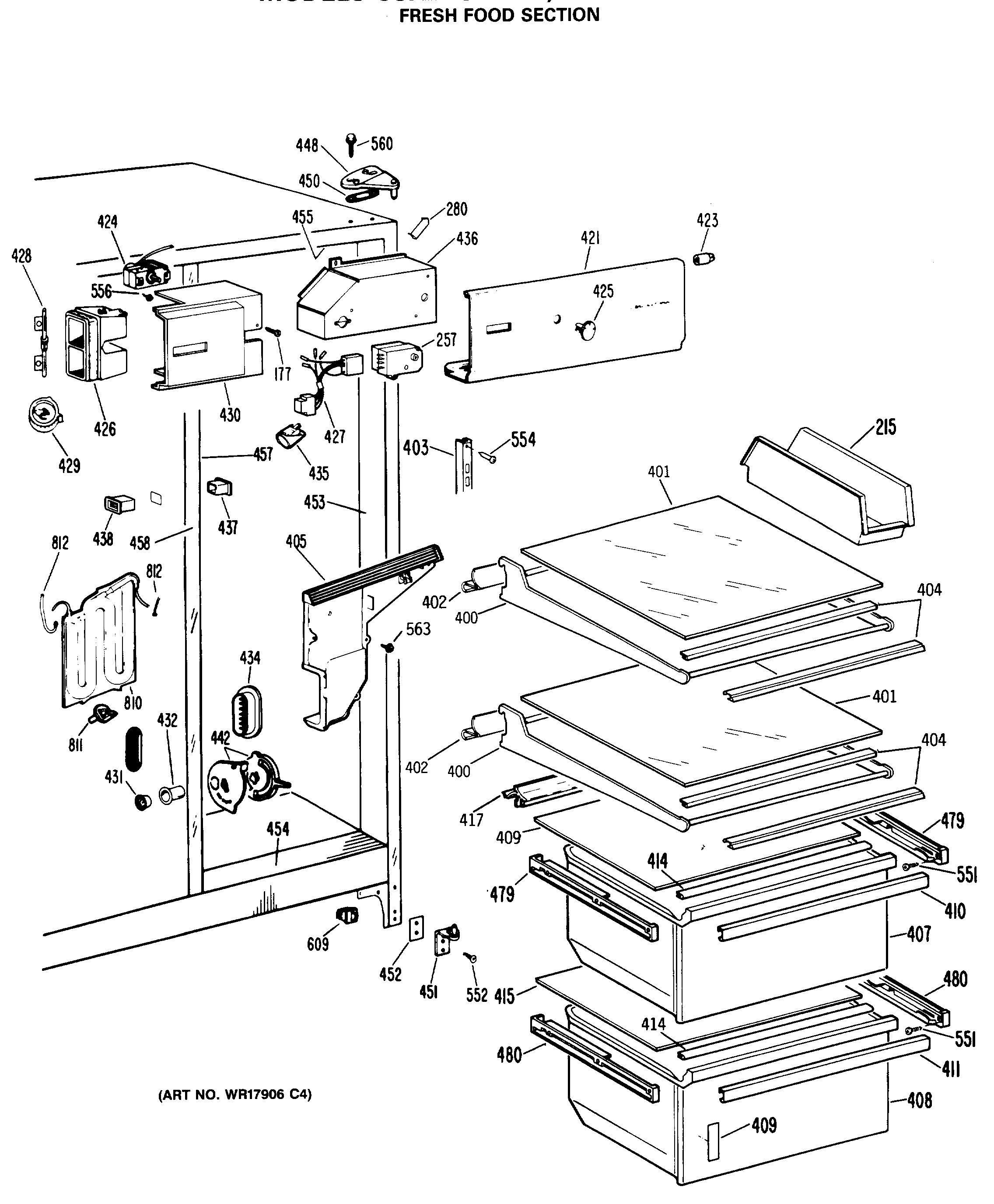
CSX22GRAAD FRESH FOOD SECTIONadmin2025-04-26T08:38:08+00:00CSX22GRAAD FRESH FOOD SECTION ProductsPositionProduct177SCREW215GEN WR32X0897257WR9X502 GE Refrigerator Defrost Timer280GEN WR02X8519400GEN WR71X2199401GEN WR32X1212402GEN WR38X1826403GEN WR72X0062404GEN WR38X1796405GEN WR14X0264405GEN WR17X1523407GEN WR32X1289408GEN WR32X1290409GEN WR02X8476409GEN WR32X5177410GEN WR17X3059411GEN WR17X3060414GEN WR14X0406415GEN WR32X0886417GEN WR02X7359421GEN WR17X2501423GEN WR02X6347423GEN WR02X6350424GEN WR09X0442425GEN WR02X7157426GEN WR02X8514426GEN WR02X4834426GEN WR14X0369427GEN WR23X0316428GEN WR02X4835429GEN WR02X4836430GEN WR17X2209431GEN WR02X8434432GEN WR02X3886434GEN WR02X4542435WR2X9391 GE Socket and Terminal435RANGE ONLY 40W 120V APPL BULB436GEN WR02X7736442GEN WR02X7035442GEN WR02X3884442KNOB CONTROL448GEN WR13X0624450GEN WR02X4194451WR13X10020 GE Refrigerator Door Hinge Assembly with Cam452NUTSTRIP HINGE453GEN WR40X1631454GEN WR40X1629455GEN WR40X1635457GEN WR40X1640458GEN WR40X1576458GEN WR02X4739458GEN WR02X7033458GEN WR02X7031479WR72X207 GE Refrigerator Left Hand Slide Assembly479GEN WR72X0206480GEN WR72X0208480GEN WR72X0209551GEN WZ04X0244554GEN WR01X1483556SCR 8-32 MA TR 1/4 SS560GEN WR01X1806560GEN WR01X1249609WR23X37285 GE Light Switch