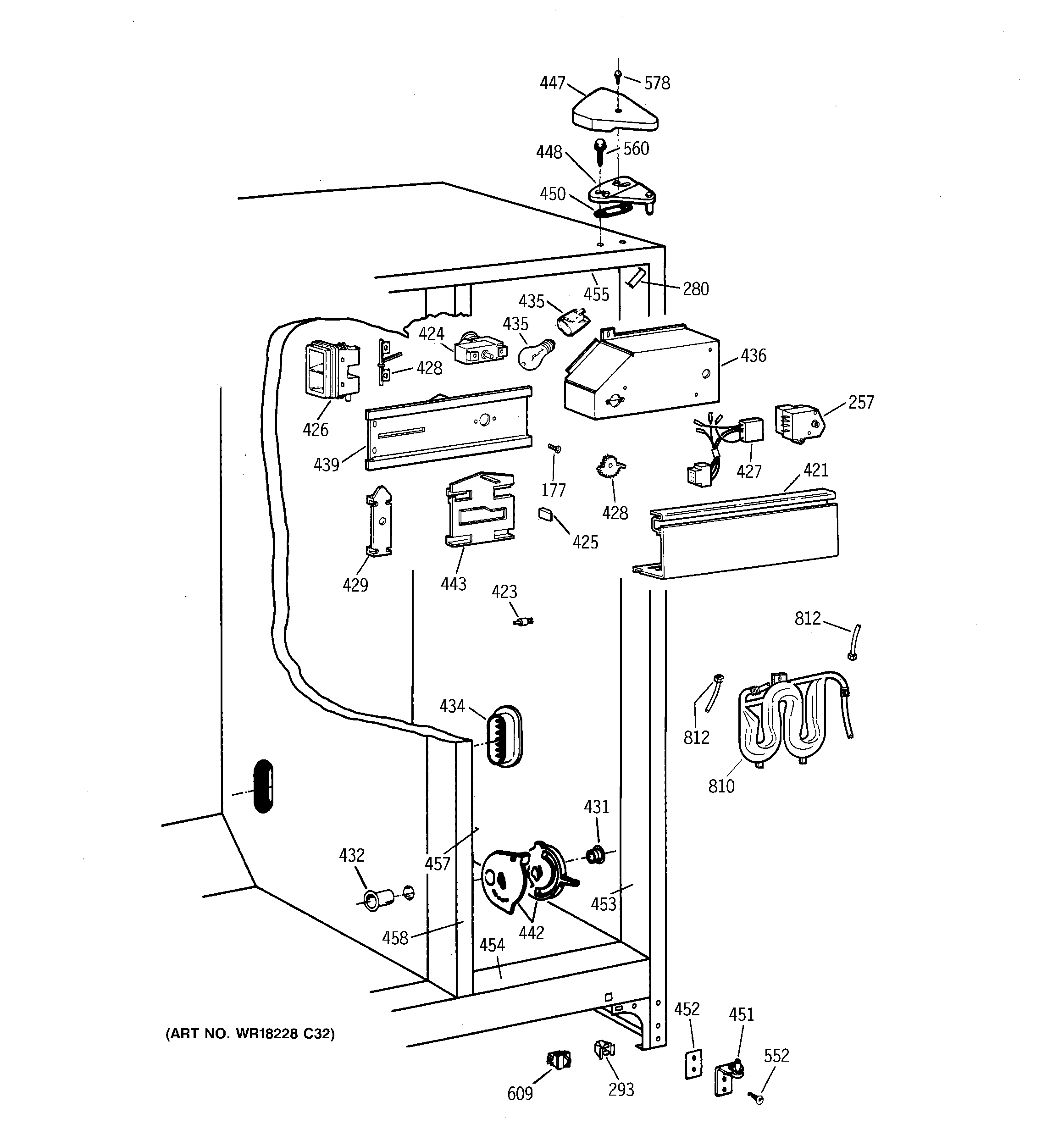
CSX22GRBKAA FRESH FOOD SECTIONadmin2025-04-26T08:38:29+00:00CSX22GRBKAA FRESH FOOD SECTION ProductsPositionProduct177SCREW257DEFROST TIMER280GEN WR02X8519293GEN WR02X7080421GEN WR17X4124423GEN WR02X10050424GEN WR09X0570425GEN WR02X8398426GEN WR02X8514426GEN WR02X8425427GEN WR23X0316428GEN WR02X8513428GEN WR02X8569429HOLDER HEATER ELEMENT431WR2X9299 GE Refrigerator Air Duct Cap Mullion432GEN WR02X8654434GEN WR02X9431435WR2X9391 GE Socket and Terminal435RANGE ONLY 40W 120V APPL BULB436GEN WR02X7736439GEN WR17X2922442GEN WR17X10060443GEN WR02X8570447GEN WR02X8263448GEN WR13X0646450GEN WR02X4194451WR13X10020 GE Refrigerator Door Hinge Assembly with Cam452SHIM HINGE BTM.453GEN WR40X1744454GEN WR40X1745455GEN WR40X1746457GEN WR40X1748458GEN WR02X10334458GEN WR02X9376458GEN WR40X1751552WR01X10600 GE Refrigerator Screw 12-24 Tapping Hex .811 S Z560GEN WR01X2140578WZ2X464D GE Screw609WR23X37285 GE Light Switch810GEN WR17X10504812WR17X2891 GE Refrigerator 5/16" X 6FT Plastic Water Line Tubing