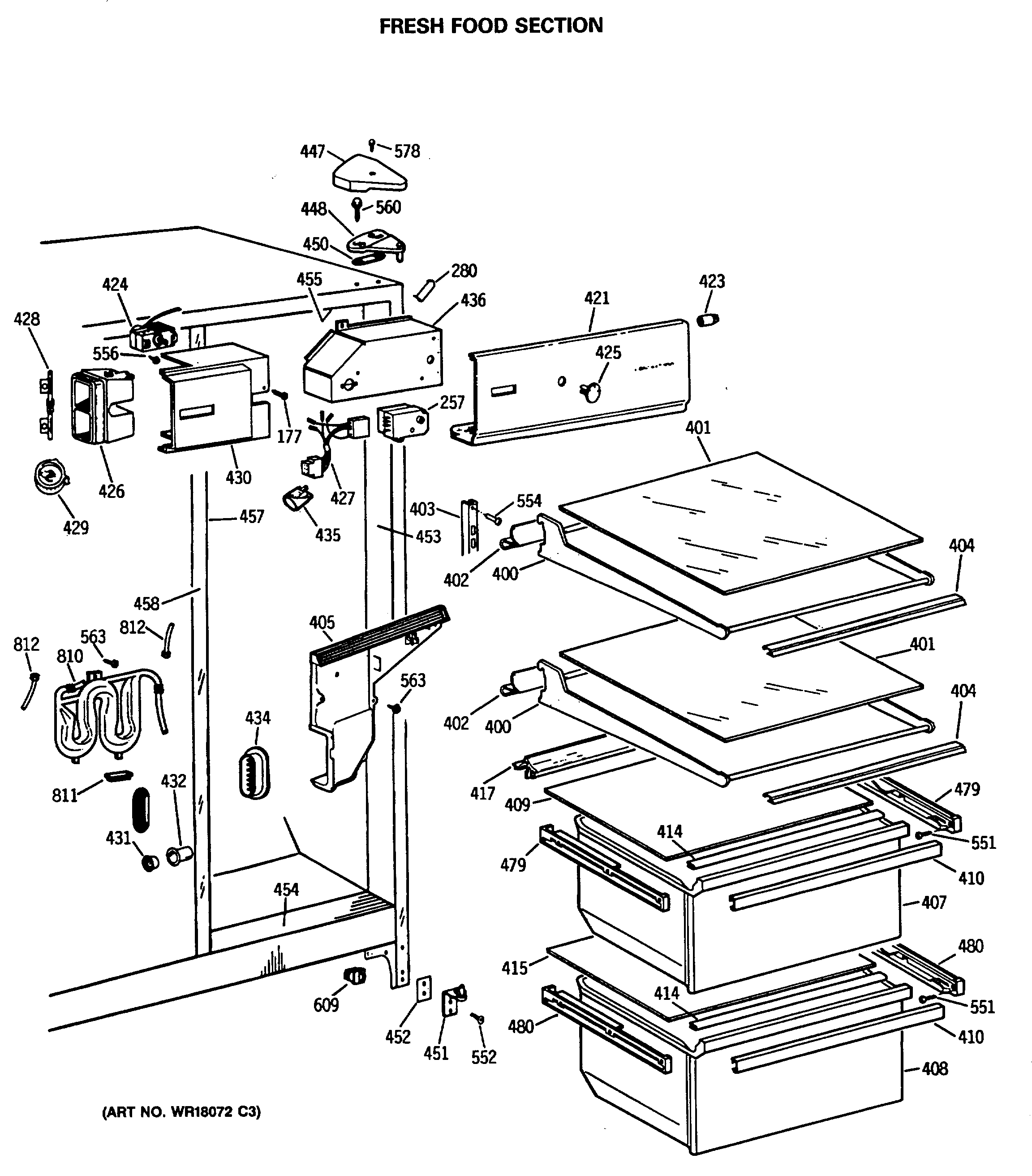
CSX22KWSBAD FRESH FOOD SECTIONadmin2025-04-26T08:38:14+00:00CSX22KWSBAD FRESH FOOD SECTION ProductsPositionProduct177SCREW280GEN WR02X8519400GEN WR71X2292401GEN WR32X1372402GEN WR38X1958403GEN WR71X2124404GEN WR38X1959405GEN WR17X1523405GEN WR14X0264407GEN WR32X1345408GEN WR32X1344409GEN WR32X1369410GEN WR17X3252414GEN WR14X0451415GEN WR32X0886417GEN WR02X7359421GEN WR17X3254423GEN WR02X6347424GEN WR09X0499425GEN WR02X8400426GEN WR02X8425426GEN WR02X8514426GEN WR14X0369427GEN WR23X0316428GEN WR02X4835429GEN WR02X8399430GEN WR17X2209431GEN WR02X7216432GEN WR02X8654434GEN WR02X8653435WR2X9391 GE Socket and Terminal435RANGE ONLY 40W 120V APPL BULB436GEN WR02X7736447GEN WR02X8263448GEN WR13X0646450GEN WR02X4194451WR13X10020 GE Refrigerator Door Hinge Assembly with Cam452NUTSTRIP HINGE452SHIM HINGE BTM.453GEN WR40X1679454GEN WR40X1678455GEN WR40X1680457GEN WR40X1672458GEN WR40X1676458GEN WR02X8721458GEN WR02X4739458GEN WR02X7033479WR72X207 GE Refrigerator Left Hand Slide Assembly479GEN WR72X0206479GEN WR72X0230480GEN WR72X0208480GEN WR72X0209551GEN WZ04X0244554GEN WR01X1483560GEN WR01X1249560GEN WR01X1806578WZ2X464D GE Screw609WR23X37285 GE Light Switch810GEN WR17X3227811GEN WR02X8659812WR17X2891 GE Refrigerator 5/16" X 6FT Plastic Water Line Tubing