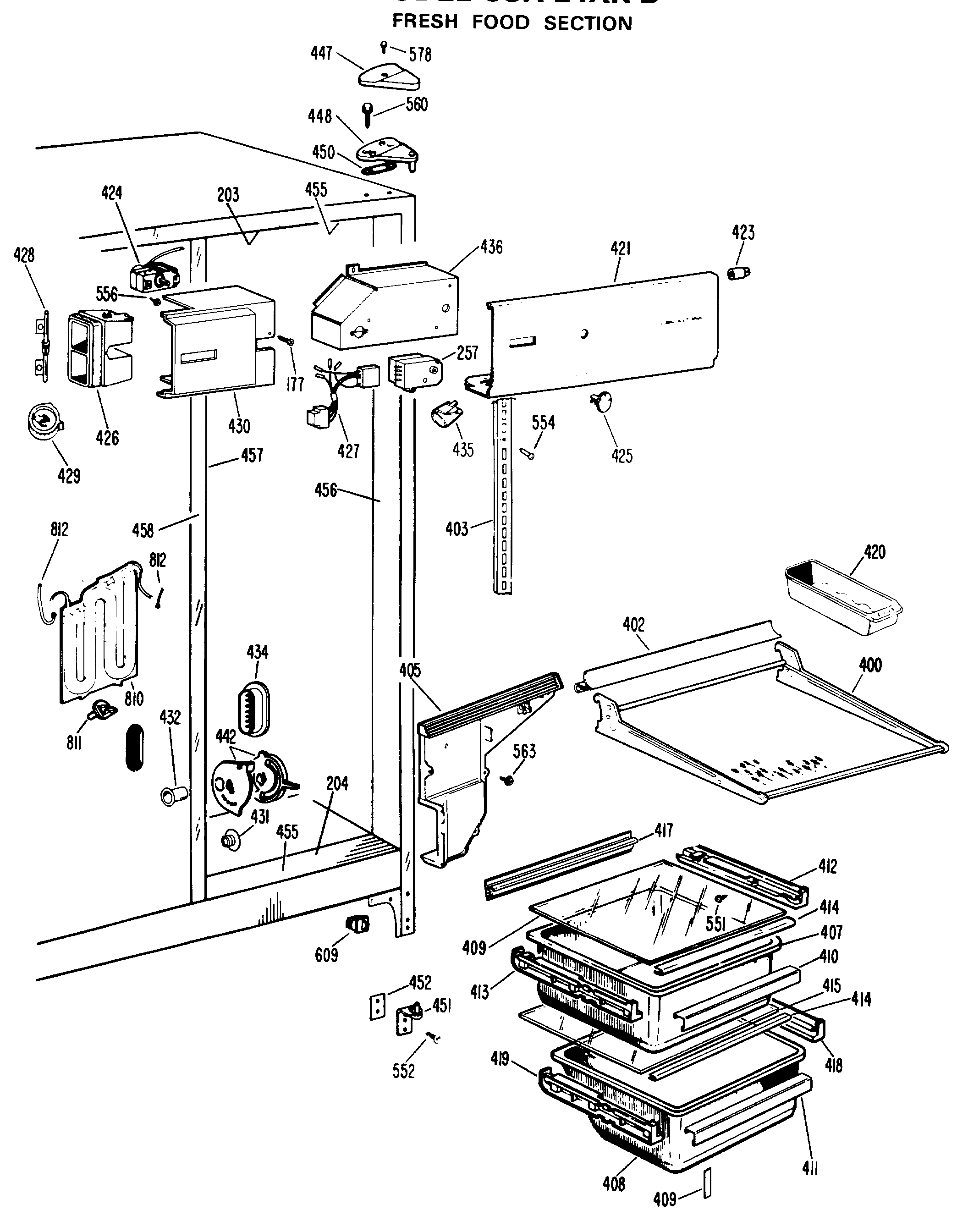
CSX24XKB FRESH FOOD SECTIONadmin2025-04-26T08:38:13+00:00CSX24XKB FRESH FOOD SECTION ProductsPositionProduct177SCREW257SCR 6-32 D TR 3/8 SS257WR9X502 GE Refrigerator Defrost Timer400GEN WR71X6008402GEN WR38X0959403GEN WR72X0062405GEN WR14X0264405GEN WR17X1523407GEN WR32X5320408GEN WR32X5321409GEN WR32X5177409GEN WR02X7214410GEN WR17X2073411GEN WR17X2074414GEN WR14X0339415GEN WR32X0886417GEN WR02X7359420GEN WR14X5153421GEN WR17X6033423GEN WR02X6347424GEN WR09X0359425GEN WR02X7157426GEN WR02X3880426GASKET FOAM426GEN WR02X4834427GEN WR23X0316428GEN WR02X4835429GEN WR02X4836430CLIP-CONTROL HOUSING430GEN WR17X2209431GEN WR02X6146432GEN WR02X3886434GEN WR02X4542435WR2X9391 GE Socket and Terminal435RANGE ONLY 40W 120V APPL BULB436GEN WR02X7736442GEN WR02X7035447GEN WR02X7570447GEN WR02X7569448GEN WR13X0577450GEN WR02X4194451WR13X10020 GE Refrigerator Door Hinge Assembly with Cam452NUTSTRIP HINGE452GEN WR02X7011455BREAKER STRIP-TOP & BTM.456RETAINER BREAKER456BREAKER STRIP-HINGE SIDE457BREAKER STRIP-FF MULLION458GEN WR40X1576458GEN WR02X7031458GEN WR02X4739458GEN WR02X7033479GEN WR72X0087479WR72X207 GE Refrigerator Left Hand Slide Assembly480GEN WR72X0085480GEN WR72X0084551GEN WZ04X0244552SCR 12-24 TT HXW 1 3/64S554GEN WR01X1483556SCR 8-32 MA TR 1/4 SS560GEN WR01X1249563WZ4X241D GE Screw Package578WZ2X464D GE Screw609WR23X37285 GE Light Switch810WATER TANK DISPENSER ASM811GEN WR02X4469812WR17X1483 GE Refrigerator Tube Replacement Pack