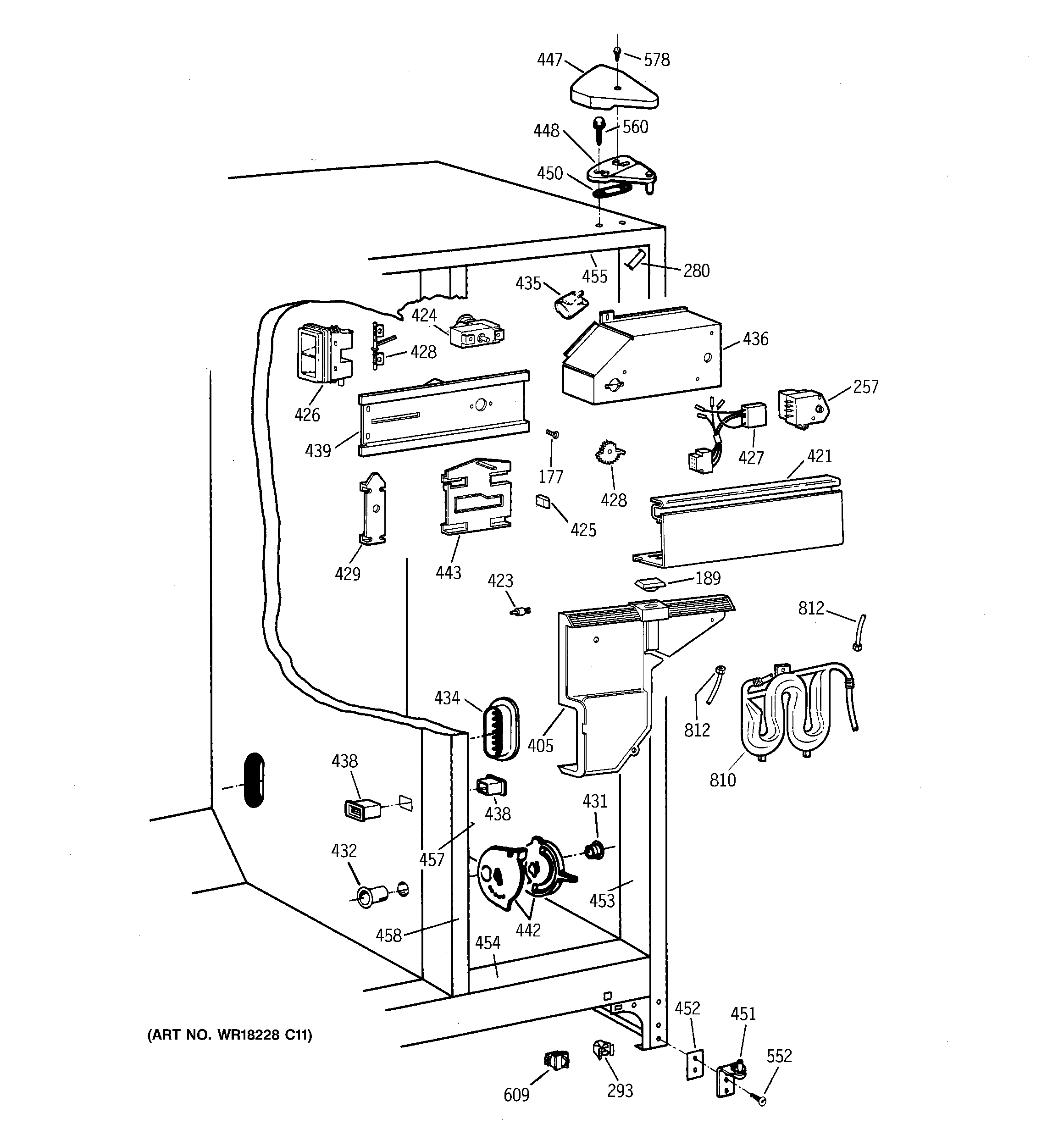
CSX25MRCAAA FRESH FOOD SECTIONadmin2025-04-26T08:38:29+00:00CSX25MRCAAA FRESH FOOD SECTION ProductsPositionProduct177SCREW189GEN WR01X2115257DEFROST TIMER280GEN WR02X8519293GEN WR02X7080405GEN WR17X3890405GEN WR14X0264421GEN WR17X4124423GEN WR02X6347423GEN WR02X10050424GEN WR09X10028425GEN WR02X8398426GEN WR02X8514426GEN WR02X8425427GEN WR23X0316428GEN WR02X8513428GEN WR02X9396429HOLDER HEATER ELEMENT431WR2X9299 GE Refrigerator Air Duct Cap Mullion432GEN WR02X8654434GEN WR02X9431435WR2X9391 GE Socket and Terminal435RANGE ONLY 40W 120V APPL BULB436GEN WR02X7736438GEN WR02X8655438GEN WR02X7476439GEN WR17X2922442GEN WR17X10060443GEN WR02X8570447GEN WR02X8844447GEN WR02X8843448GEN WR13X0659450GEN WR02X4194451WR13X10020 GE Refrigerator Door Hinge Assembly with Cam452SHIM HINGE BTM.452GEN WR02X7011453GEN WR40X1734454GEN WR40X1735455GEN WR40X1736457GEN WR40X1737458GEN WR02X9376458GEN WR02X4739458GEN WR40X1740458GEN WR02X7033552WR01X10600 GE Refrigerator Screw 12-24 Tapping Hex .811 S Z560GEN WR01X2140578WZ2X464D GE Screw609WR23X37285 GE Light Switch810WR17X4358 GE Refrigerator Water Tank812WR17X2891 GE Refrigerator 5/16" X 6FT Plastic Water Line Tubing