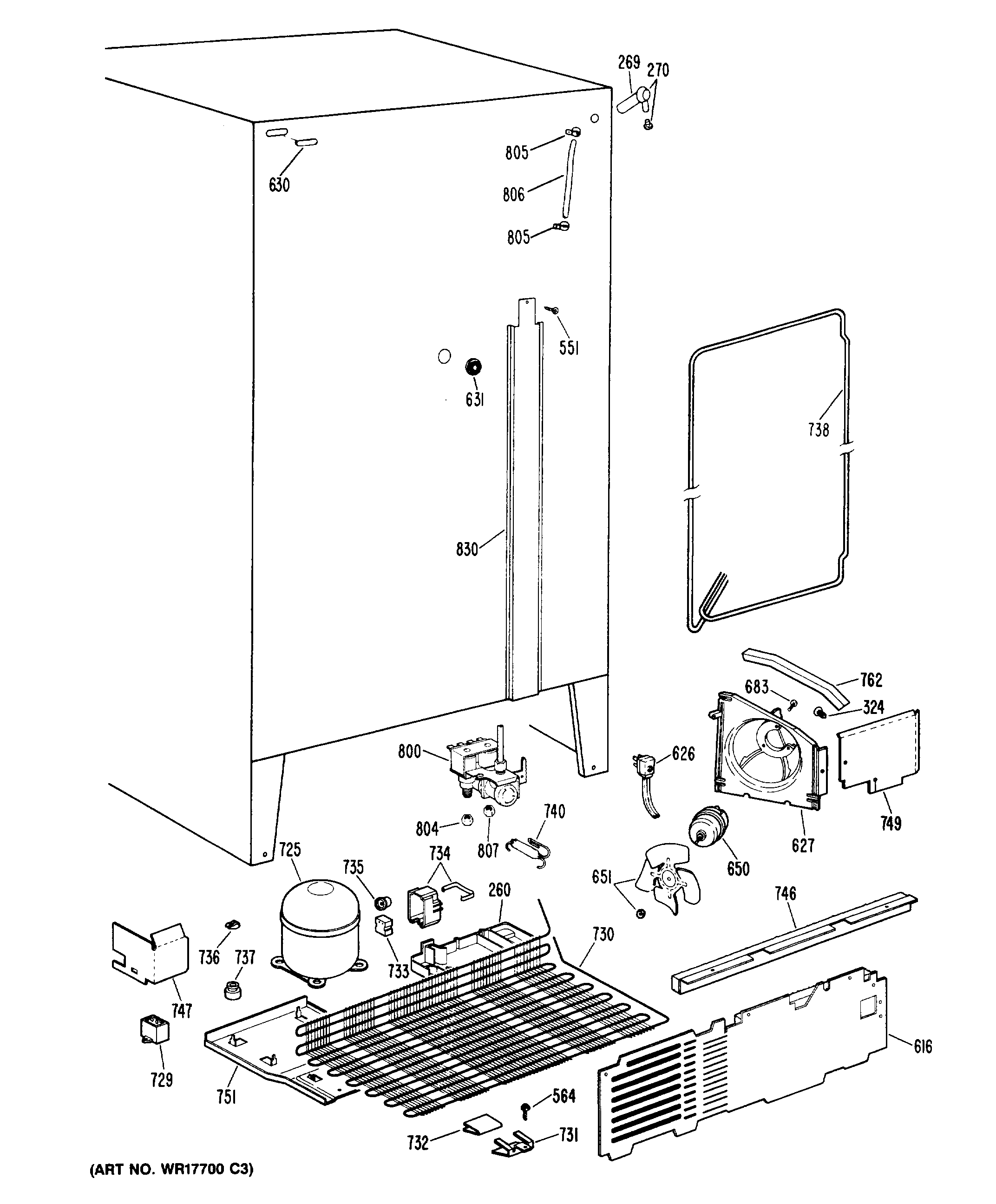
CSX27DRAAD 1