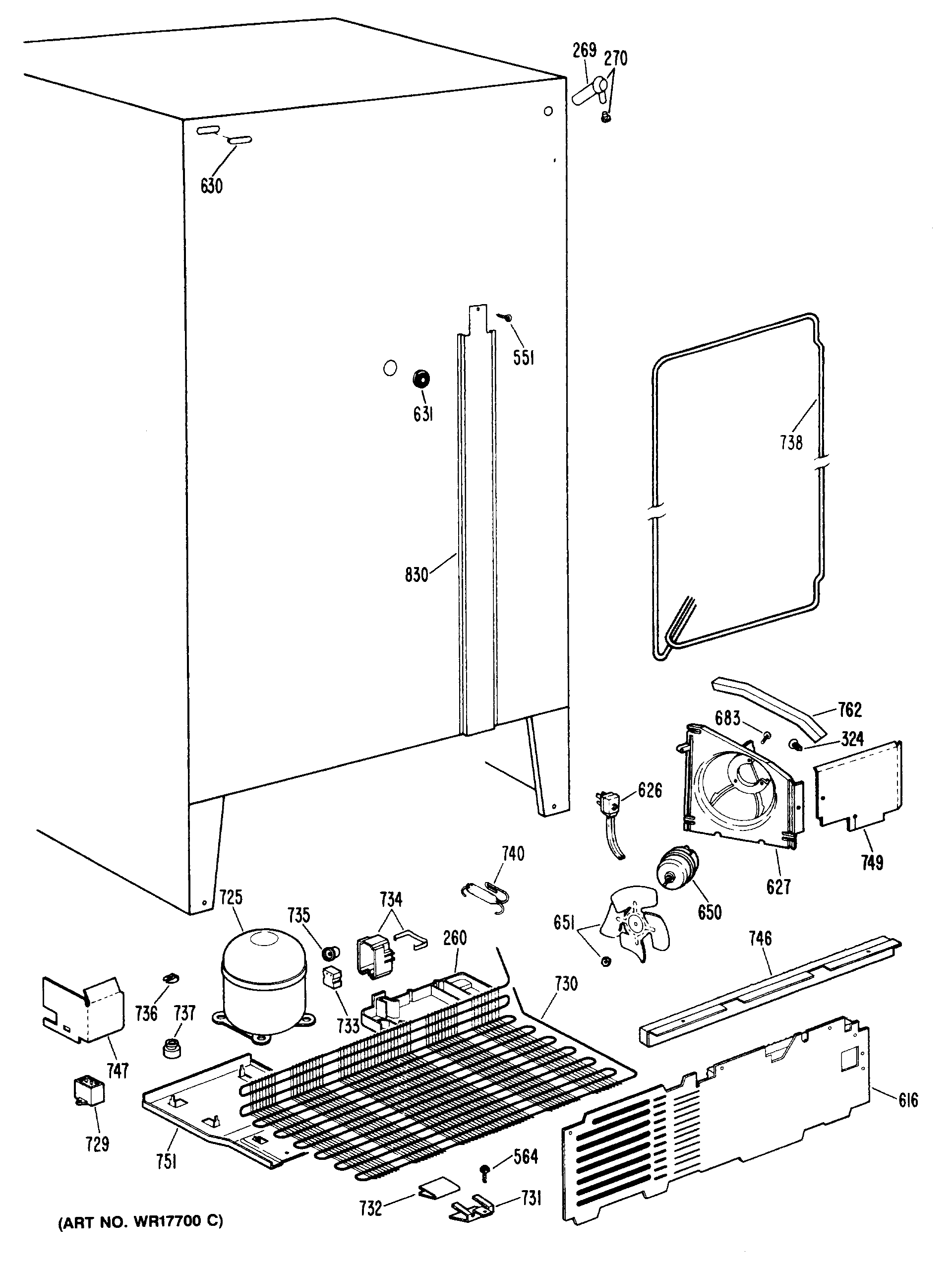
CSXC22GMA 1