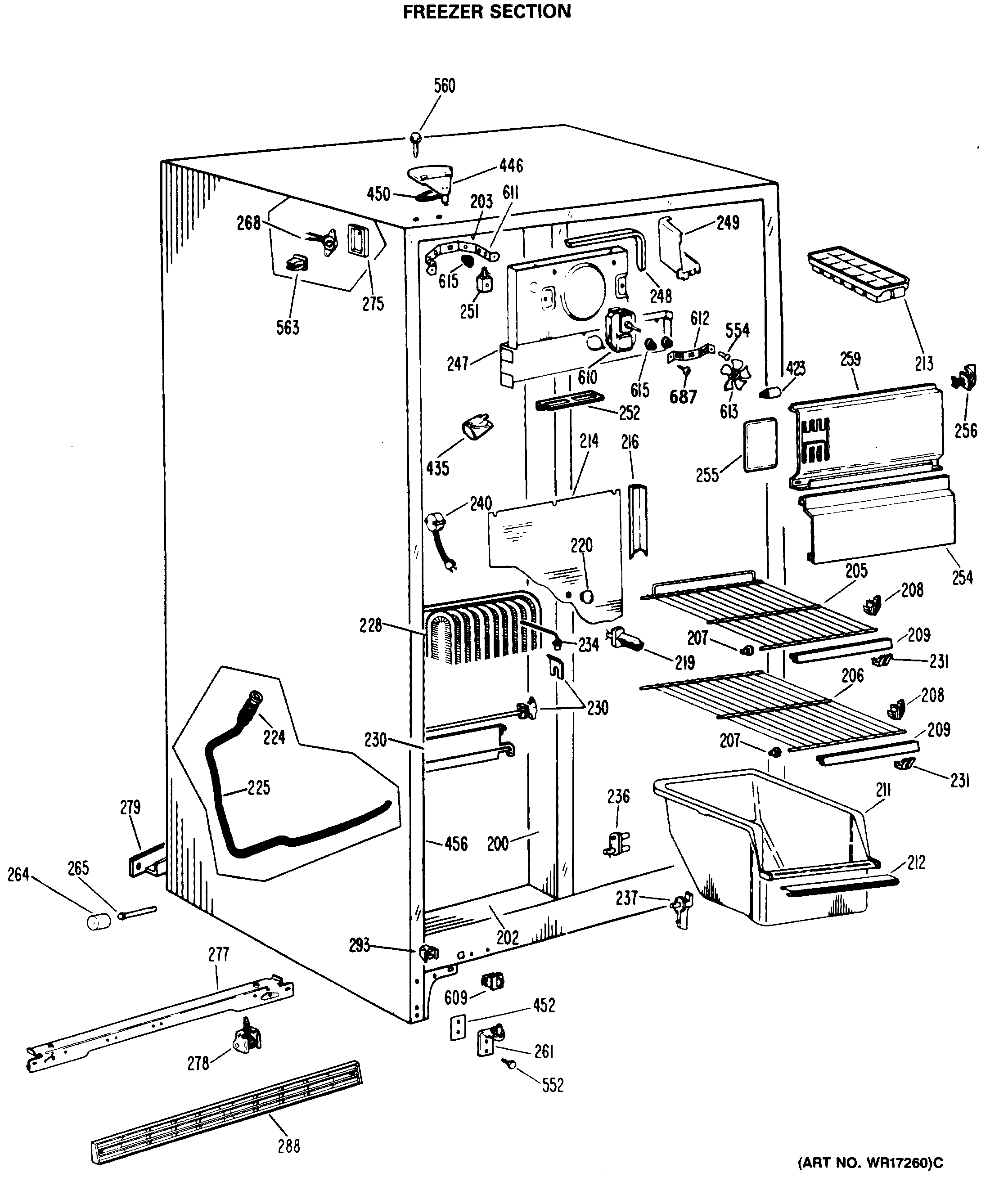
CSXC22GMA FREEZER SECTIONadmin2025-04-26T08:35:56+00:00CSXC22GMA FREEZER SECTION ProductsPositionProduct200GEN WR40X1641202GEN WR40X1630203GEN WR40X1636205GEN WR71X1656206GEN WR71X1888207GEN WR02X4676208GEN WR02X4674209GEN WR38X5180211GEN WR21X5117212GEN WR02X6042213WR30X311 GE Refrigerator Ice Tray214GEN WR17X2339214GEN WR02X7257216GEN WR14X0274219GEN WR02X4421220GEN WR02X7926224GEN WR02X4967225GEN WR02X4838225GEN WR01X5042225GEN WR02X8293228GEN WR02X4983228GEN WR02X4982230GEN WR02X8488230GEN WR51X0231231GEN WR02X5008234GEN WR02X4546236GEN WR02X4548237GEN WR02X7036240WR50X55 GE Refrigerator Defrost Thermostat 55 Degree with Clip247GEN WR17X1413248GEN WR14X0272249GEN WR17X1414251GEN WR02X2880252GEN WR02X7042254GEN WR17X1567255GEN WR02X6254256GEN WR02X4839259GEN WR17X1927261WR13X10020 GE Refrigerator Door Hinge Assembly with Cam264WR2X3594 GE Refrigerator Wheel265GEN WR02X3598265GEN WR02X4742268GEN WR23X0312275GEN WR02X4339277GEN WR17X2119278WHEEL ASM FRT279GEN WR17X2742288GEN WR74X0200293GEN WR02X7080423GEN WR02X6347423GEN WR02X6350435RANGE ONLY 40W 120V APPL BULB435WR2X9391 GE Socket and Terminal446GEN WR13X0623450GEN WR02X4194452SHIM HINGE BTM.452NUTSTRIP HINGE456GEN WR40X1632554GEN WR01X1483560GEN WR01X1806560GEN WR01X1249563WZ4X241D GE Screw Package609WR23X37285 GE Light Switch610GEN WR60X0188611BRACKET EVAP FAN612BRACKET EVAP FAN613WR60X114 GE Refrigerator Evaporator Motor Fan Blade615GEN WR02X2945687GEN WZ05X0194