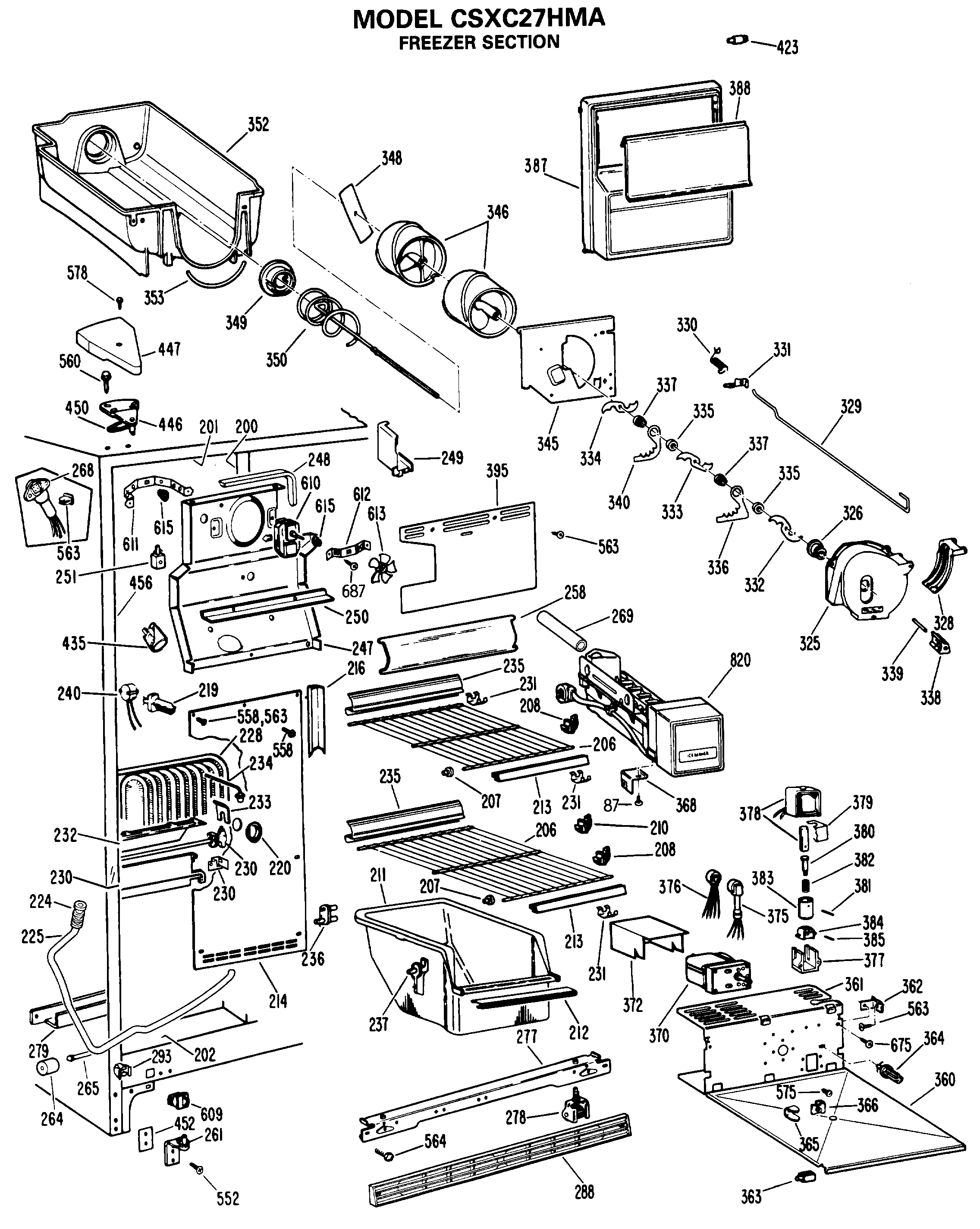
CSXC27HMA FREEZER SECTION

CSXC27HMA FREEZER SECTION

Products

PositionProduct
87WZ4X241D GE Screw Package
200GEN WR40X1626
201GEN WR40X1628
202GEN WR40X1622
206WR71X1936 GE Freezer Wire Shelf
207GEN WR02X4676
208GEN WR02X4674
211GEN WR21X0172
212GEN WR17X2315
214GEN WR14X0274
214GEN WR17X2097
219GEN WR02X4421
220GEN WR02X7926
224GEN WR02X4967
225GEN WR01X5042
225GEN WR02X8293
225GEN WR02X4838
228GEN WR02X4982
228GEN WR02X4983
230GEN WR51X0258
230GEN WR02X8487
231GEN WR02X5008
231GEN WR02X3440
234GEN WR02X4546
235GEN WR38X1439
236GEN WR02X4548
237GEN WR02X7036
240WR50X55 GE Refrigerator Defrost Thermostat 55 Degree with Clip
247GEN WR17X2134
247GEN WR02X4845
248GEN WR14X0272
249GEN WR17X1414
250GEN WR02X7945
251GEN WR02X2880
258GEN WR17X1424
261GEN WR13X0618
264WR2X3594 GE Refrigerator Wheel
265GEN WR02X4742
265GEN WR02X3598
268GEN WR23X0312
269GEN WR02X6087
277GEN WR17X2113
278WHEEL ASM FRT
279GEN WR17X2743
288GEN WR74X0198
293GEN WR02X7080
326GEN WR01X1366
326WR1X1367D GE Refrigerator Return Package 12
326GEN WR01X1585
328DEFLECTOR ICE DISP
328WR2X4143 GE Refrigerator Pivot
328GEN WR02X4561
329WIRE ACTUATOR DISP
330GEN WR02X4145
331GEN WR02X4251
332WR17X1361 GE Refrigerator Blades Moving Display
333WR17X1362 GE Refrigerator Middle Blade
334WR17X1363 GE Refrigerator Blades Moving Display
335GEN WR02X4139
336GEN WR17X1009
337WR2X4138 GE Refrigerator Spacer
338WR2X4140 GE Refrigerator Blade Rest
339GEN WR02X4141
340WR17X2058 GE Refrigerator Dispenser Blade
345PLATE FRONT DISP
346HELIX FRONT-DISP
346HELIX REAR-DISP
348GEN WR02X7351
349WR2X4550 GE Refrigerator Drive Cup
350GEN WR17X2740
352WR30X256 GE Refrigerator Ice Dispenser
353WR2X7905 GE Refrigerator Bucket Seal
360GEN WR02X4566
360GEN WR71X1874
361GEN WR17X2909
362GEN WR02X7936
363GEN WR02X4465
364GEN WR02X7310
365GEN WR02X4854
366GEN WR01X1547
368GEN WR02X8459
370WR01X10618 GE Refrigerator Screw 8-18 TPT 1/4
370GEN WR60X0196
372WR02X11295 GE Refrigerator Auger Motor Boot
375GEN WR23X0194
376GEN WR23X0189
377WR2X7309 GE Refrigerator Solenoid Cushion
381WR62X23154 GE Refrigerator Ice Dispenser Solenoid Kit
382WR62X26536 GE Refrigerator Armature Kit
387GEN WR17X2910
388GEN WR17X2874
388GEN WR38X1524
395GEN WR17X2905
423GEN WR02X6347
435RANGE ONLY 40W 120V APPL BULB
435WR2X9391 GE Socket and Terminal
446GEN WR13