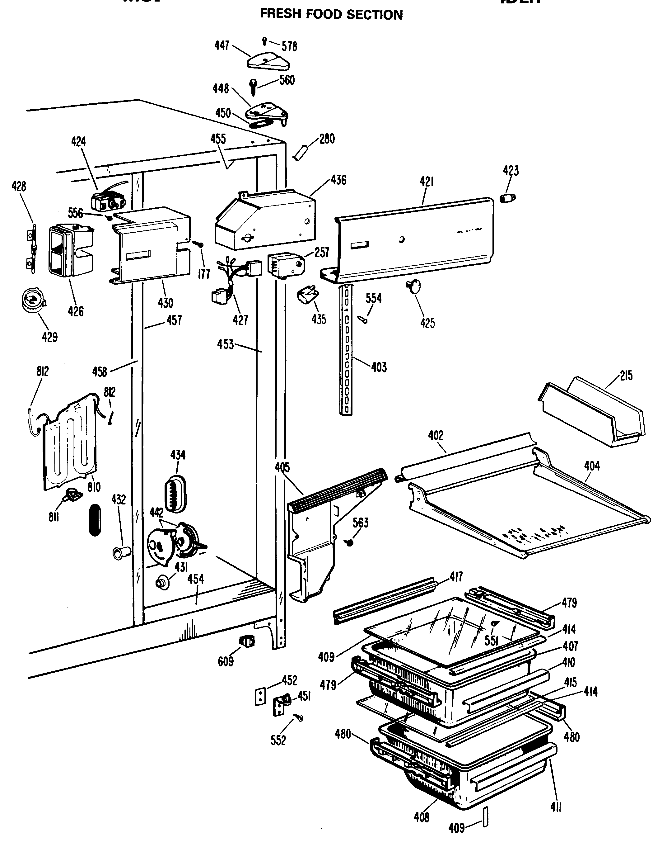
CSXH24DLR FRESH FOOD SECTION