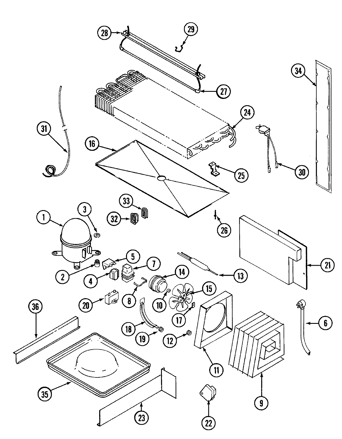
CT15Y5A 08 – UNIT COMPARTMENT & SYSTEMadmin2025-04-26T11:20:41+00:00CT15Y5A 08 – UNIT COMPARTMENT & SYSTEM ProductsPositionProductNIMAY 108340-3NIMAY 160020801MAY RA10321MAY RA1011-12MAY 17245-43MAY 52778-23MAY 62165-14WP10097202 Whirlpool Refrigerator Start Device42154436 Whirlpool Refrigerator Start Relay4MAY 6100180052176790 Whirlpool Refrigerator Overload5MAY 69105-1054388953 Whirlpool Overload Relay6MAY 52890-37MAY 69754-17MAY 66589-28MAY 65886-18MAY 59596-19MAY 414001-19MAY 60434-39MAY 60408-210MAY 6100168611MAY 6100120512MAY 53351-113WPW10143759 Whirlpool Dryer Filter14MAY 6100156214MAY 65275-3315WP12587601 Whirlpool Refrigerator Condenser Blade16MAY 69118-117WP486692 Whirlpool Refrigerator Nut18MAY 69181-119MAY 56933-120WP65889-4 Whirlpool Refrigerator Capacitor20WP2262343 Whirlpool Refrigerator/Freezer Capacitor21MAY 66338-321MAY 65275-522MAY 405007-122MAY 68233-123MAY 66493-124MAY 69822-125MAY 60108-226MAY 26397-927WP60106-34 Whirlpool Refrigerator Heater28MAY 60109-429MAY 68935-130WP52085-28 Whirlpool Thermostat31MAY 65013-2631MAY 6100104231MAY 65013-432MAY 60068-133MAY 60069-134MAY 65275-5034MAY 60177-434MAY 6100113634MAY 6100156636WP489478 Whirlpool Refrigerator Screw36MAY 60555-236MAY 60555-1