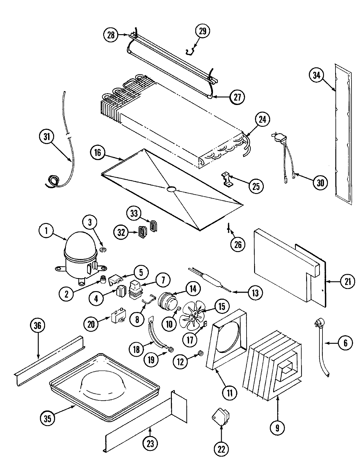
CT17Y4A 09 – UNIT COMPARTMENT & SYSTEMadmin2025-04-26T11:19:36+00:00CT17Y4A 09 – UNIT COMPARTMENT & SYSTEM ProductsPositionProductNIMAY 108340-3NIMAY 61001720NIMAY 160020801MAY RA1011-11MAY 52656-21MAY RA10322MAY 17245-43MAY 62165-13MAY 52778-24MAY 6100180042154436 Whirlpool Refrigerator Start Relay4WP10097202 Whirlpool Refrigerator Start Device54388953 Whirlpool Overload Relay52176790 Whirlpool Refrigerator Overload5MAY 69105-106MAY 52890-37MAY 66589-27MAY 69754-18MAY 59596-18MAY 65886-19MAY 60434-39MAY 414001-19MAY 60408-210MAY 6100168611MAY 66228-112MAY 53351-113WPW10143759 Whirlpool Dryer Filter14MAY 6100156214MAY 68445-314MAY 65275-3315WP12587601 Whirlpool Refrigerator Condenser Blade16MAY 69118-117WP486692 Whirlpool Refrigerator Nut18MAY 69181-119MAY 56933-120WP2262343 Whirlpool Refrigerator/Freezer Capacitor20WP65889-4 Whirlpool Refrigerator Capacitor21MAY 66338-321WP488729 Whirlpool Refrigerator Door Screw22MAY 405007-122MAY 68233-123MAY 66493-124MAY 69822-125MAY 60108-226MAY 26397-927WP60106-34 Whirlpool Refrigerator Heater28MAY 60109-429MAY 68935-130WP52085-28 Whirlpool Thermostat31MAY 65013-2631MAY 66223-131MAY 65013-431MAY 6100104232MAY 60068-133MAY 60069-134MAY 6100113634MAY 6100156034MAY 65275-5034MAY 70162-134MAY 60177-436WP489478 Whirlpool Refrigerator Screw36MAY 60555-136MAY 60555-2