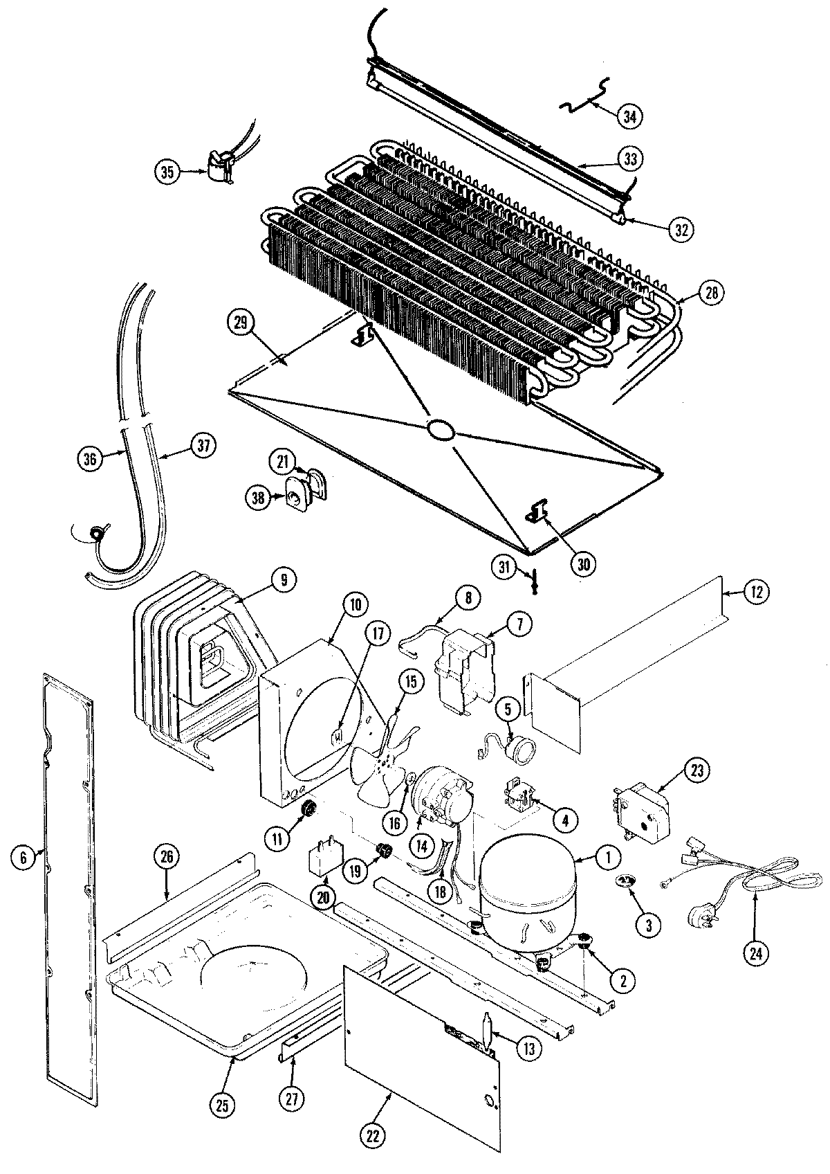
CT17Y7W 05 – UNIT COMPARTMENT & SYSTEMadmin2025-04-26T11:19:42+00:00CT17Y7W 05 – UNIT COMPARTMENT & SYSTEM ProductsPositionProductNIMAY 108340-31MAY RA1011-11MAY RA1032-12MAY 17245-43MAY 62165-13MAY 414011-13MAY 52778-24WP10097202 Whirlpool Refrigerator Start Device42154436 Whirlpool Refrigerator Start Relay4MAY 610018005MAY 69105-1054388953 Whirlpool Overload Relay52176790 Whirlpool Refrigerator Overload6MAY 60110-27MAY 69754-17MAY 66589-28MAY 65886-18MAY 59596-19MAY 60434-39MAY 60408-210MAY 66228-111MAY 53351-112MAY 66493-113MAY 1390014MAY 68445-314MAY 6100156214MAY 65275-3315WP12587601 Whirlpool Refrigerator Condenser Blade16MAY 69063-117WP486692 Whirlpool Refrigerator Nut18MAY 69181-119MAY 56933-120WP2262343 Whirlpool Refrigerator/Freezer Capacitor20WP65889-4 Whirlpool Refrigerator Capacitor21MAY 6100156021MAY 70162-121MAY 60069-121MAY 60177-422WP488729 Whirlpool Refrigerator Door Screw22MAY 66338-323MAY 68233-123MAY 405007-124MAY 52890-226MAY 60555-127MAY 60555-227WP489478 Whirlpool Refrigerator Screw28MAY 69822-129MAY 69118-130MAY 60108-231MAY 26397-932WP60106-34 Whirlpool Refrigerator Heater33MAY 60109-434MAY 68825-135WP52085-28 Whirlpool Thermostat36MAY 65013-2636MAY 65013-437MAY 66223-137MAY 65398-138MAY 60068-1