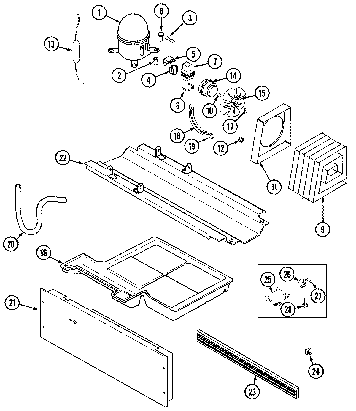
CT19A5Q 01 – COMPRESSOR (BISQUE)admin2025-04-26T11:20:59+00:00CT19A5Q 01 – COMPRESSOR (BISQUE) ProductsPositionProductNIMAY 16008421NIMAY 12001492NIMAY 610034201MAY 120018141MAY 610020121MAY 120013742MAY 17245-42WP4387558 Whirlpool Refrigerator Compressor Grommet3MAY 610030994MAY 610052504WP10097204 Whirlpool Start Relay5MAY 610020375WP2183456 Whirlpool Refrigerator Overload6MAY 65886-17MAY 66589-17WP61002138 Whirlpool Refrigerator Terminal Cover8MAY 52656-29MAY 610043789MAY 6100281110MAY 6100168611MAY 6100194112MAY 6100203313WPW10143759 Whirlpool Dryer Filter14MAY 65275-3314MAY 6100101615MAY 60683-116MAY 6100195516WP489478 Whirlpool Refrigerator Screw17WP486692 Whirlpool Refrigerator Nut18MAY 69181-119GROMMET, BRACKET20MAY 6100221421MAY 65275-521MAY 6100465421MAY 65275-122MAY 6100232722WP67006715 Whirlpool Refrigerator Screw22MAY 6100527223MAY 6100501124MAY 6100197525SCREW25MAY 6100521625MAY 6100197826WP61003826 Whirlpool Wheel27WP61002104 Whirlpool Refrigerator Pin Wheel28MAY 61002014