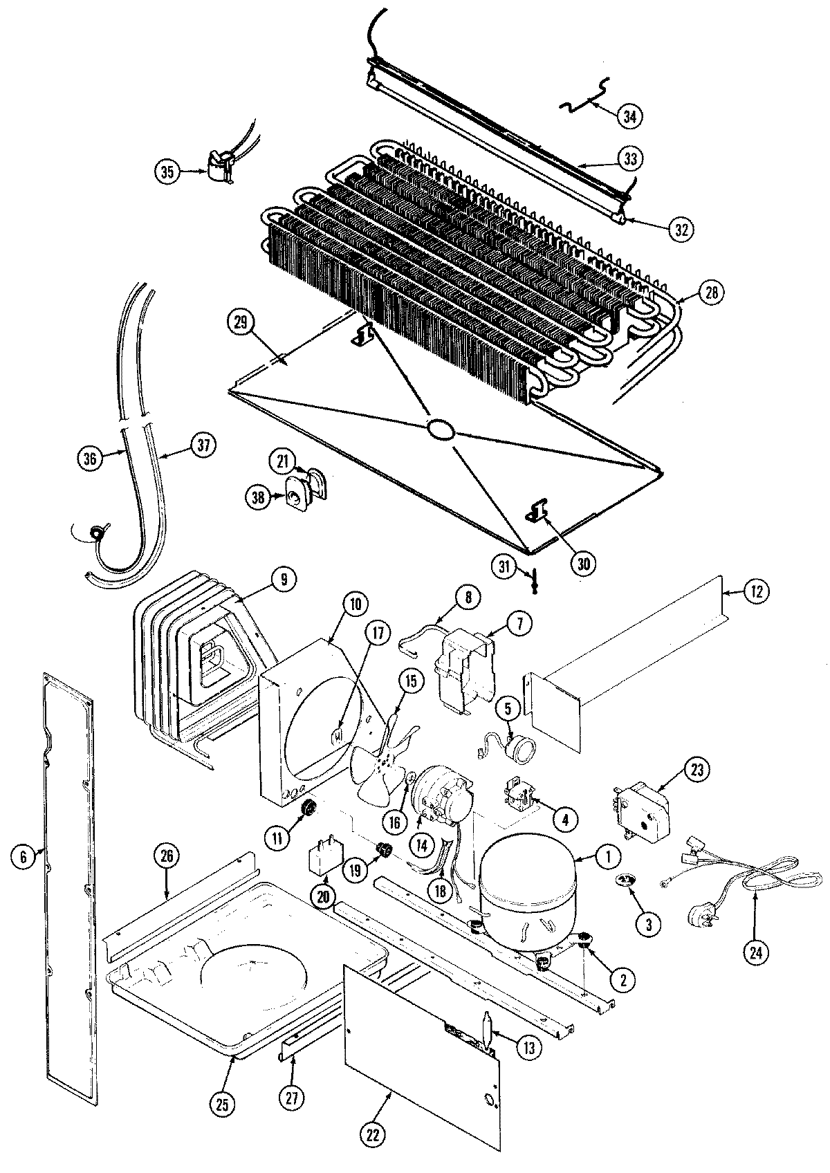
CT19X3V 04 – UNIT COMPARTMENT & SYSTEMadmin2025-04-26T11:21:29+00:00CT19X3V 04 – UNIT COMPARTMENT & SYSTEM ProductsPositionProductNIMAY 108340-11MAY RA10322MAY 17245-43MAY 62165-14WP10097202 Whirlpool Refrigerator Start Device54388953 Whirlpool Overload Relay6MAY 60110-27MAY 69754-18MAY 59596-19MAY RA43871-19MAY 60408-110MAY 66228-111MAY 414001-111MAY 53351-112MAY 66493-113MAY 1390014MAY 67560-114MAY 65275-3315WP12587601 Whirlpool Refrigerator Condenser Blade16MAY 19913-417MAY 19914-118MAY 66225-119MAY 56933-120WP65889-4 Whirlpool Refrigerator Capacitor21MAY 60069-122MAY 66338-422WP488729 Whirlpool Refrigerator Door Screw23MAY 405007-123WP68233-2 Whirlpool Refrigerator Defrost Timer24MAY 52890-226MAY 60555-127MAY 60555-227WP489478 Whirlpool Refrigerator Screw28MAY 69822-729MAY 69118-230MAY 60108-131MAY 26397-932WP60106-35 Whirlpool Defrost Heater Assembly33MAY 60109-534MAY 60263-135MAY 52085-3336MAY 65013-2237MAY 66223-137MAY 65398-138MAY 60068-138MAY 70164-138MAY 60177-2