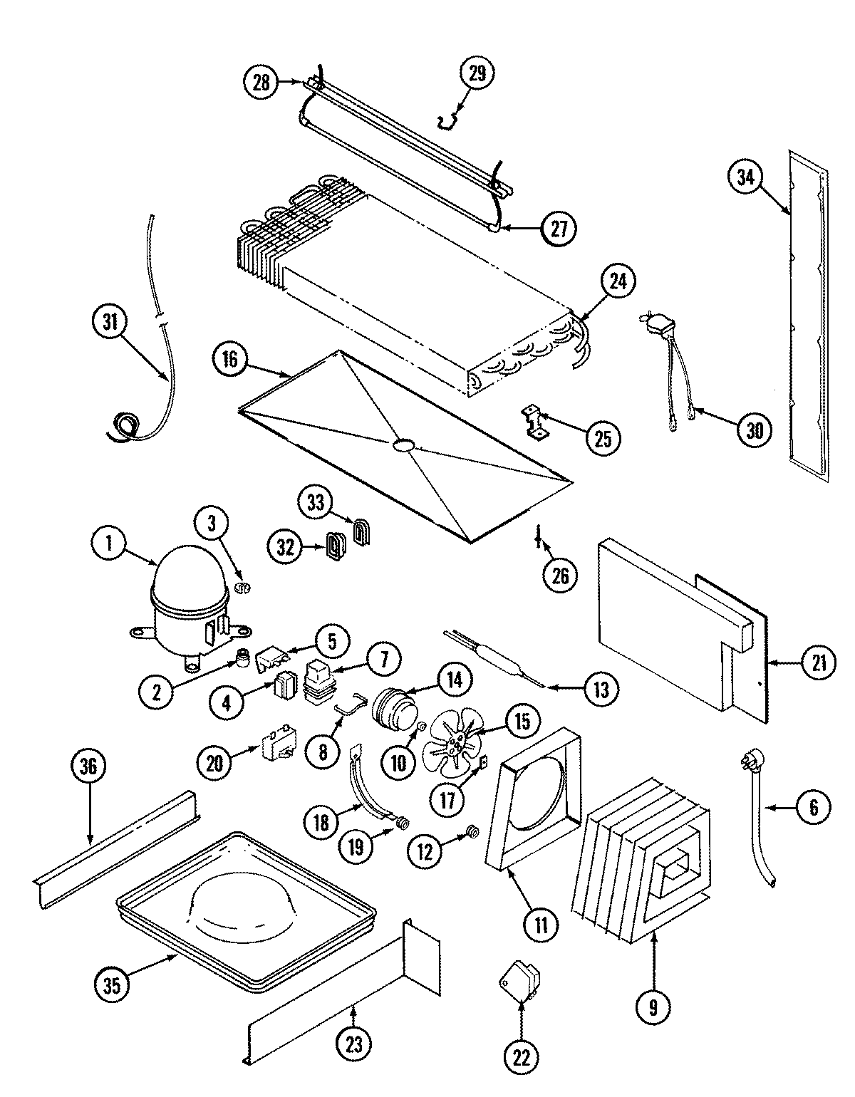
CT19Y5FA 09 – UNIT COMPARTMENT & SYSTEMadmin2025-04-26T11:21:24+00:00CT19Y5FA 09 – UNIT COMPARTMENT & SYSTEM ProductsPositionProduct1MAY RA1011-12MAY 17245-43MAY 52778-242154436 Whirlpool Refrigerator Start Relay5MAY 69105-106MAY 52890-37MAY 66589-28MAY 65886-19MAY 60408-29MAY 60434-39MAY 414001-110MAY 69063-111MAY 6100120512MAY 53351-113MAY 1390014MAY 65275-3314MAY 68445-114MAY 6100101615WP12587601 Whirlpool Refrigerator Condenser Blade16MAY 69118-217WP486692 Whirlpool Refrigerator Nut18MAY 69181-119MAY 56933-120WP2262343 Whirlpool Refrigerator/Freezer Capacitor21WP488729 Whirlpool Refrigerator Door Screw21MAY 66338-422MAY 405007-122WP68233-2 Whirlpool Refrigerator Defrost Timer23MAY 66493-123WP489478 Whirlpool Refrigerator Screw24MAY 69822-725MAY 60108-226MAY 26397-927WP60106-35 Whirlpool Defrost Heater Assembly28MAY 60109-529MAY 68935-130WP52085-28 Whirlpool Thermostat31MAY 65013-2631MAY 6100104232MAY 60068-133MAY 60069-134MAY 60177-434MAY 6100113634MAY 65275-5034MAY 70162-234MAY 6100156036MAY 60555-136MAY 108340-336MAY 400014-136MAY 60555-2