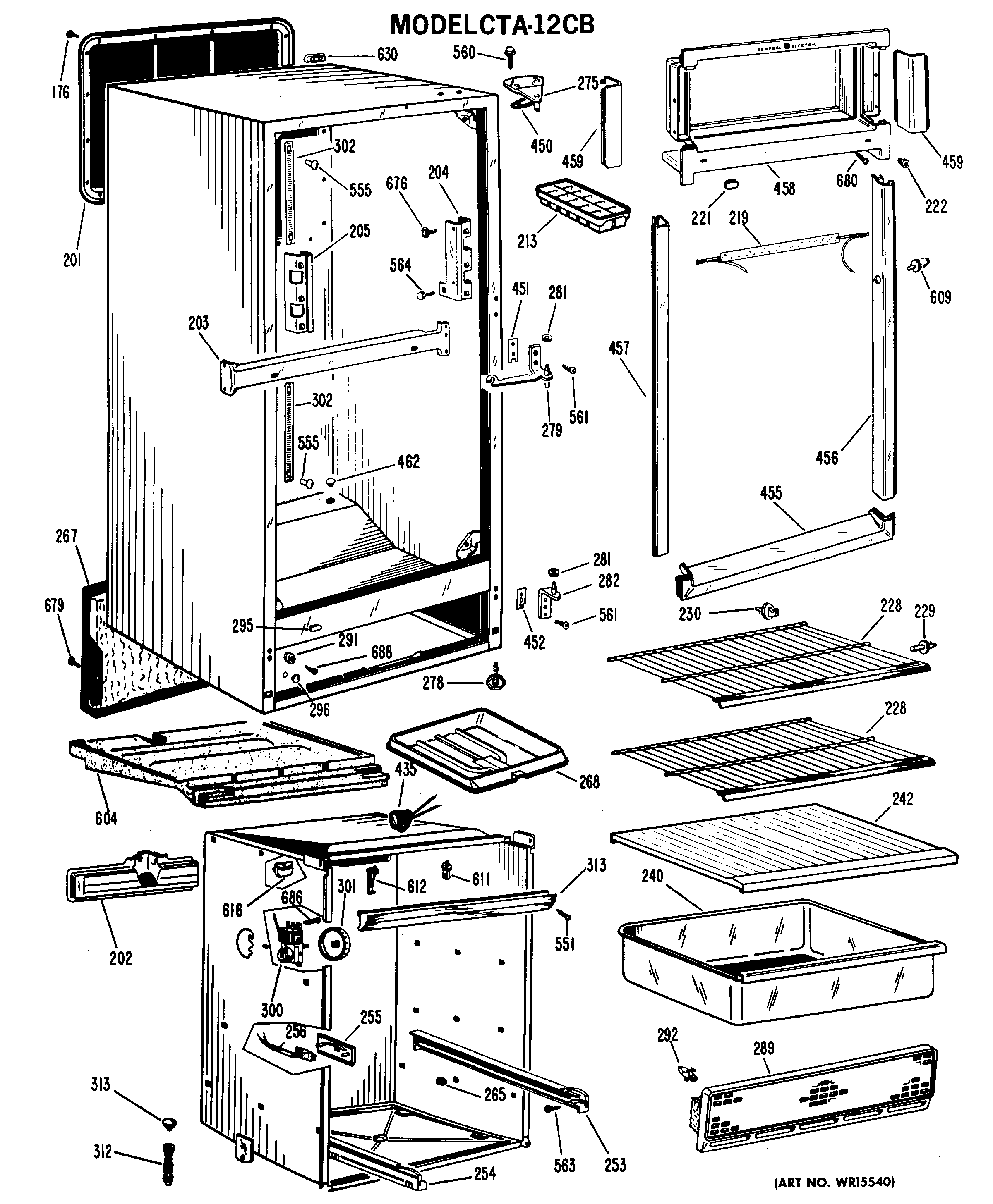
CTA12CBDR 1