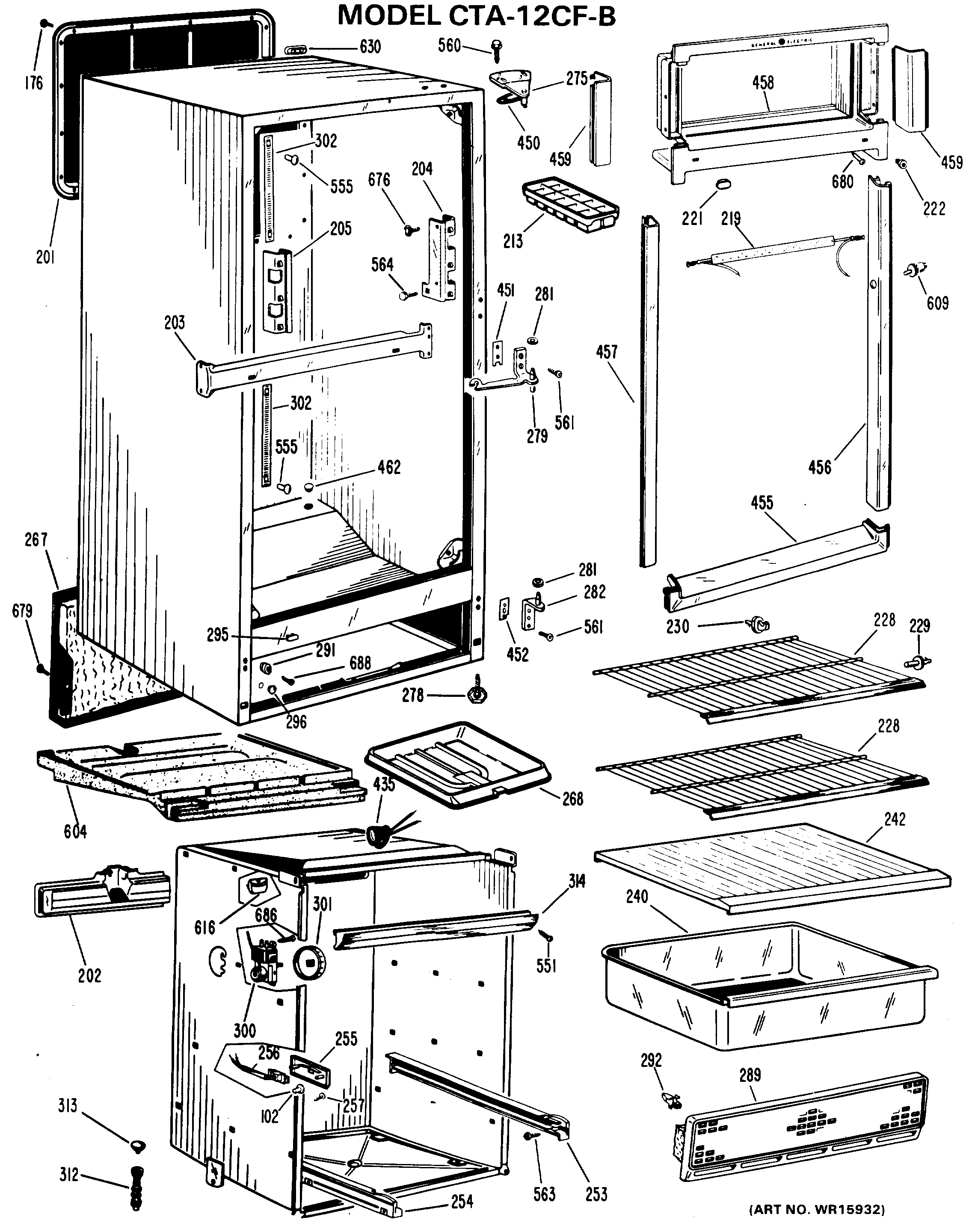
| 102 | GEN WR02X4990 |
| 176 | GEN WZ05X0166 |
| 201 | BACKPLATE & TAPE ASM |
| 201 | FOAM STRIP |
| 202 | COVER LINER BACK |
| 203 | MULLION CROSSPIECE |
| 204 | SUPPORT LINER-R.S. |
| 205 | SUPPORT LINER-L.S. |
| 213 | WR30X311 GE Refrigerator Ice Tray |
| 219 | HEATER MULLION |
| 221 | BUTTON PLUG |
| 222 | GROMMET DOOR STOP |
| 228 | SHELF ASM STATIONARY |
| 229 | SUPPORT TWIST |
| 230 | SUPPORT SHELF |
| 240 | GEN WR32X0730 |
| 242 | COVER PAN |
| 253 | GEN WR17X1201 |
| 254 | SLIDE PAN |
| 255 | GEN WR03X0399 |
| 256 | SWITCH POWER SAVER |
| 257 | SCR 6-32 D TR 3/8 SS |
| 267 | GEN WR82X0249 |
| 268 | GEN WR17X5988 |
| 275 | HINGE TOP & PIN ASM |
| 278 | LEVELING LEG |
| 279 | GEN WR13X0441 |
| 281 | GEN WR01X1355 |
| 281 | GEN WR01X1114 |
| 282 | HINGE BTM & PIN ASM |
| 289 | GRILLE O.CASE |
| 291 | GROMMET-GRILLE |
| 292 | GEN WR01X1326 |
| 292 | CLIP |
| 295 | PLUG BUTTON TWIN |
| 296 | GEN WR02X3890 |
| 300 | CONTROL TEMP |
| 301 | GEN WR02X4893 |
| 301 | GEN WZ04X0407 |
| 301 | KNOB TEMP CONT |
| 302 | PLATE STRIKE |
| 312 | TUBE DRAIN |
| 313 | GEN WR02X3747 |
| 314 | TROUGH DRAIN |
| 435 | SOCKET LAMP |
| 450 | GEN WR02X4194 |
| 451 | GEN WR02X6281 |
| 452 | SHIM HINGE BTM. |
| 452 | GEN WR02X7011 |
| 455 | BREAKER STRIP BTM |
| 456 | CLIP BRKR STRIP & FRAME |
| 456 | BREAKER STRIP-HINGE SIDE |
| 457 | BREAKER STRIP-LATCH SIDE |
| 458 | BREAKER FRAME & MULLION |
| 459 | BREAKER STRIP SIDE FZ |
| 462 | PLUG RECESSED |
| 551 | GEN WZ04X0244 |
| 555 | RIVET POP |
| 560 | GEN WR01X1249 |
| 561 | SCR 12-24 HXW 7/8 S PP |
| 563 | WZ4X241D GE Screw Package |
| 564 | GEN WR01X1122 |
| 564 | GEN WR01X1194 |
| 604 | PAN EVAP DRAIN ASM |
| 604 | GEN WR14X0275 |
| 609 | SWITCH LIGHT |
| 616 | BRACKET EVAP MTG FF |
| 630 | WR2X4097 GE Button Plug |
| 676 | WD2X5166 GE Dishwasher Screw |
| 679 | SCR 12-14B HXW 5/8 S DP |
| 679 | SCR 8-18 AB HX 3/8 S |
| 680 | SCR 8-18 AB HX 1/2S W |
| 686 | WZ5X158D GE Screw Package of 12 |
| 688 | SCR 8-15 A PA 3/4 SS |