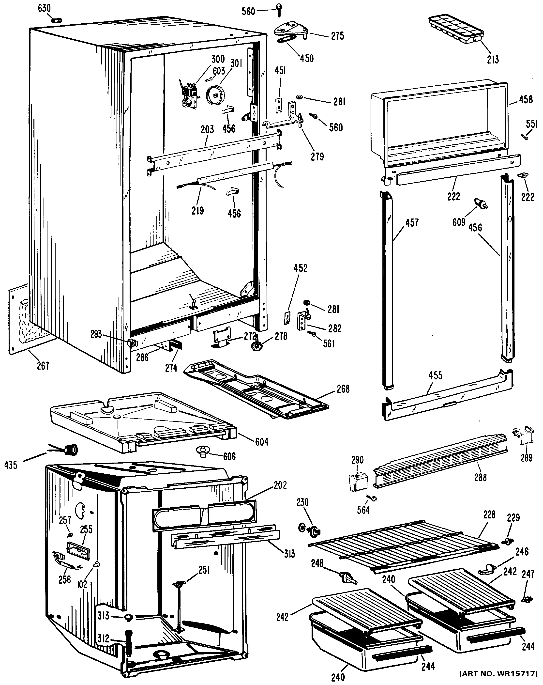
CTA14CCBR 1