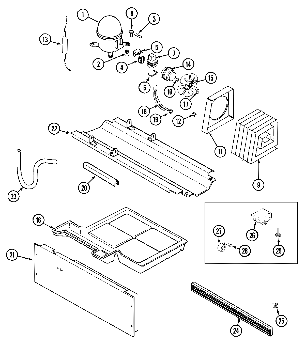
CTB2124ARW 01 – COMPRESSORadmin2025-04-26T11:17:22+00:00CTB2124ARW 01 – COMPRESSOR ProductsPositionProductNIMAY 61001981NIMAY 160082481MAY 120013741MAY 610020122MAY 17245-43MAY 52778-24WP10097204 Whirlpool Start Relay5WP2183456 Whirlpool Refrigerator Overload6MAY 65886-17MAY 610020208MAY 52656-29MAY 610020489WP489399 Whirlpool Refrigerator Screw10MAY 6100168611MAY 6100194112MAY 6100203313WPW10143759 Whirlpool Dryer Filter14MAY 6100156214MAY 65275-3315WP12587601 Whirlpool Refrigerator Condenser Blade16MAY 6100195516MAY 6100295817WP486692 Whirlpool Refrigerator Nut18MAY 69181-119MAY 56933-120MAY 6100197421MAY 65275-4921MAY 6100251822WP67006715 Whirlpool Refrigerator Screw22MAY 6100251923MAY 6100221424MAY 6100253625MAY 6100197526SCREW26MAY 6100206627MAY 6100210328WP61002104 Whirlpool Refrigerator Pin Wheel29MAY 61002014