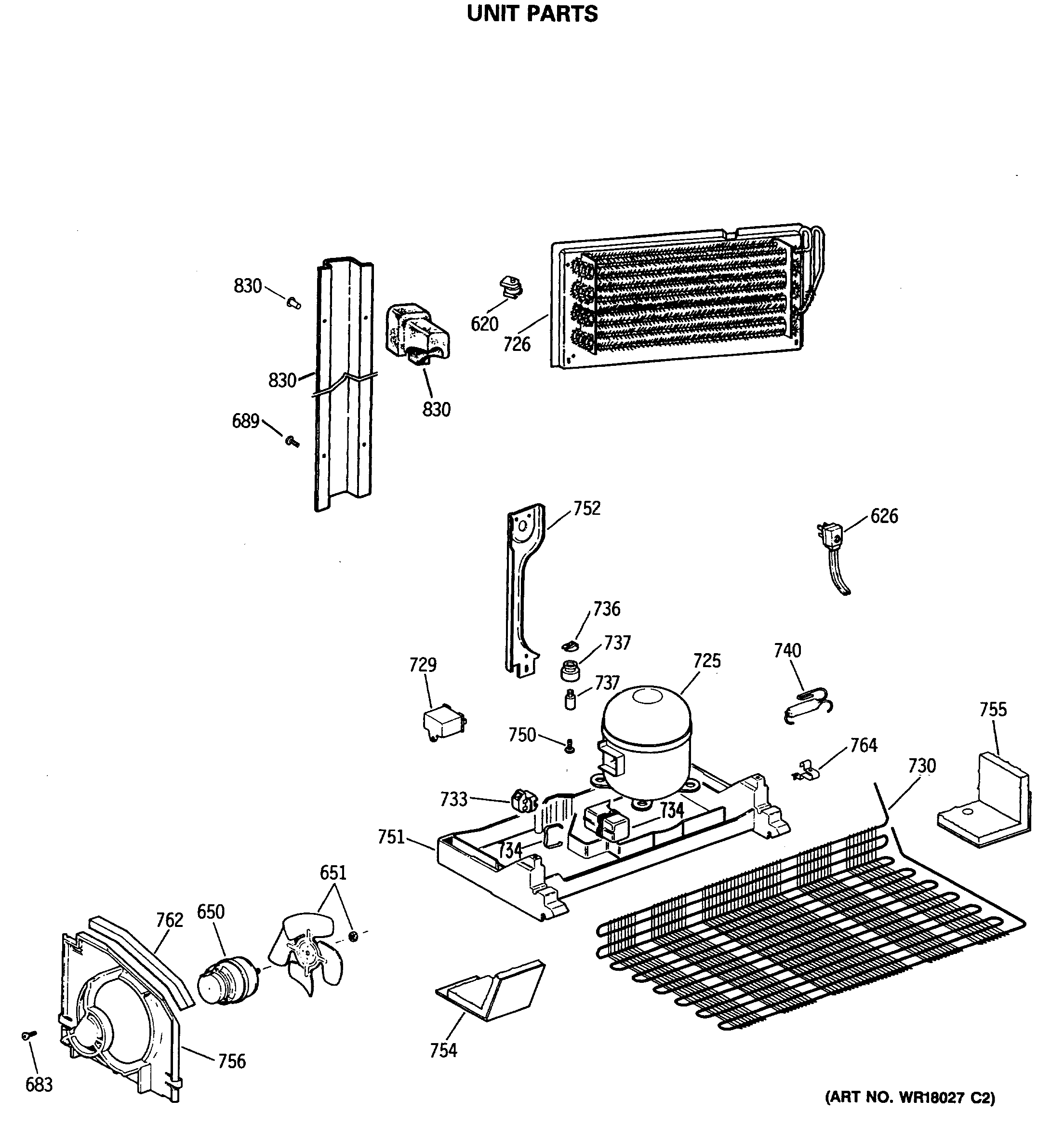
CTE21GASNRWH UNIT PARTS