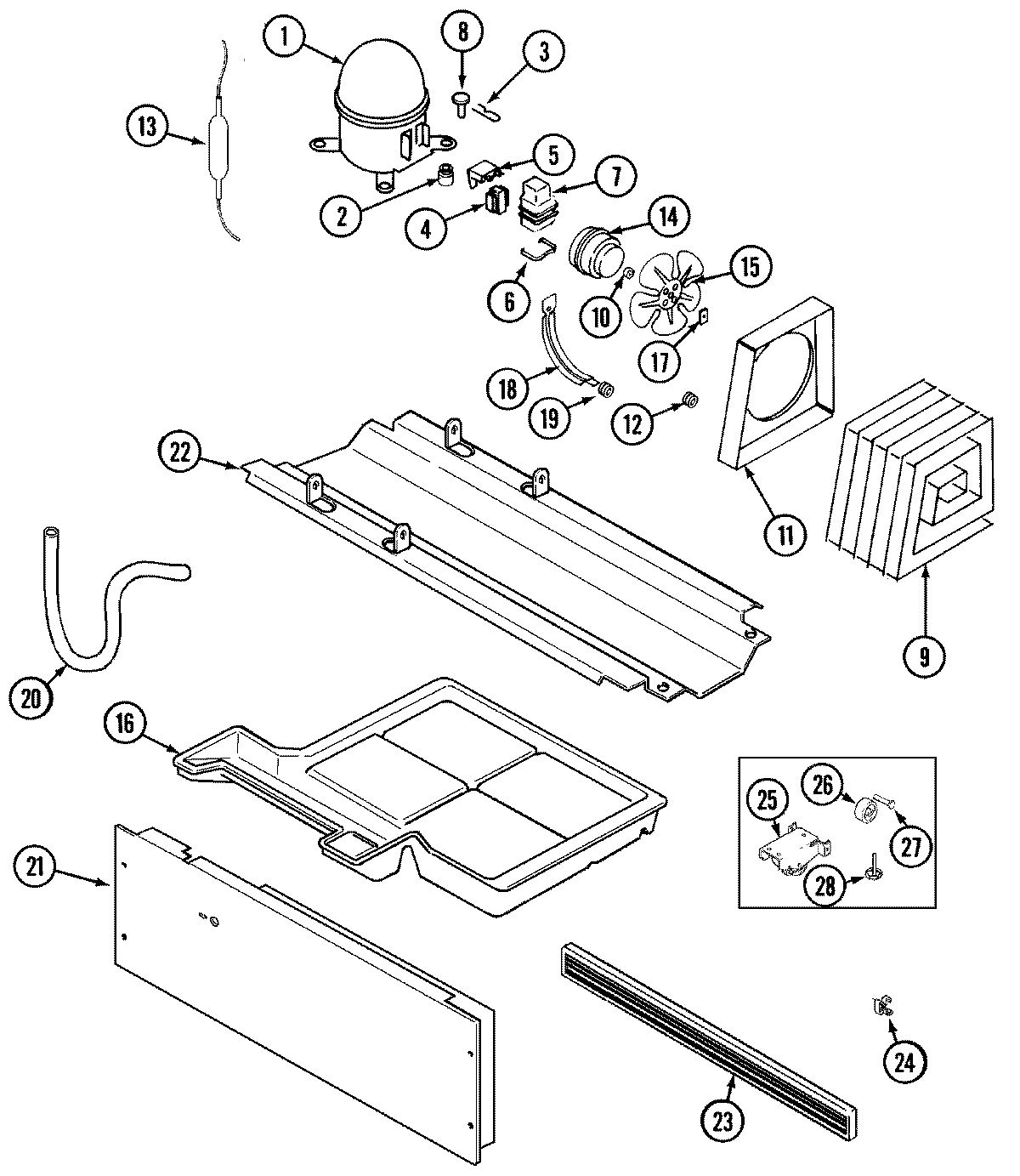
CTF1722ARW 01 – COMPRESSORadmin2025-04-26T11:17:44+00:00CTF1722ARW 01 – COMPRESSOR ProductsPositionProductNIMAY 16008248NIMAY 12001492NIMAY 610034201MAY 120013741W10823815 Whirlpool Refrigerator Compressor1MAY 610020122WP4387558 Whirlpool Refrigerator Compressor Grommet2MAY 17245-43MAY 610030994MAY 610048374WP10097204 Whirlpool Start Relay5MAY 610036725WP2183456 Whirlpool Refrigerator Overload6MAY 65886-17WP61002138 Whirlpool Refrigerator Terminal Cover7MAY 66589-18MAY 52656-29MAY 6100281110MAY 6100168611MAY 6100194112MAY 6100203313WPW10143759 Whirlpool Dryer Filter14MAY 6100101614MAY 65275-3315WP12587601 Whirlpool Refrigerator Condenser Blade16MAY 6100195516WP489478 Whirlpool Refrigerator Screw17WP486692 Whirlpool Refrigerator Nut18MAY 69181-119MAY 56933-120MAY 6100221421MAY 6100220421MAY 65275-5021MAY 65275-522MAY 6100203222MAY 6100524222WP67006715 Whirlpool Refrigerator Screw23MAY 6100268024MAY 6100197525SCREW25MAY 6100197825MAY 6100521626WP61003826 Whirlpool Wheel27WP61002104 Whirlpool Refrigerator Pin Wheel28MAY 61002014