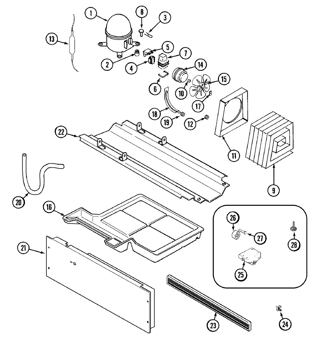
CTF1910DRW 01 – COMPRESSORadmin2025-04-26T11:17:12+00:00CTF1910DRW 01 – COMPRESSOR ProductsPositionProductNIMAY 16008248NIMAY 16000329NIMAY 610034201MAY 610020121MAY 120013742MAY 17245-43MAY 610030994WP10097204 Whirlpool Start Relay5WP2183456 Whirlpool Refrigerator Overload6MAY 65886-17MAY 66589-18MAY 52656-29MAY 610028119MAY 6100437810MAY 6100168611MAY 6100194112MAY 6100203313WPW10143759 Whirlpool Dryer Filter14MAY 6100101614MAY 65275-3315WP12587601 Whirlpool Refrigerator Condenser Blade16MAY 66223-116WP489478 Whirlpool Refrigerator Screw16MAY 6100195517WP486692 Whirlpool Refrigerator Nut18MAY 69181-119MAY 56933-120MAY 6100221421MAY 65275-521MAY 6100465421MAY 65275-5022MAY 6100232722WP67006715 Whirlpool Refrigerator Screw23MAY 6100242724MAY 6100197525MAY 6100197825SCREW26WP61003826 Whirlpool Wheel27WP61002104 Whirlpool Refrigerator Pin Wheel28MAY 61002014