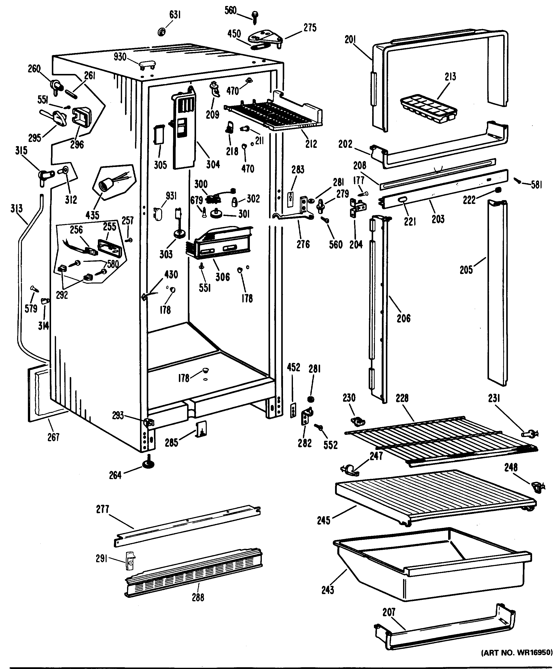
CTFP14CKBR 1