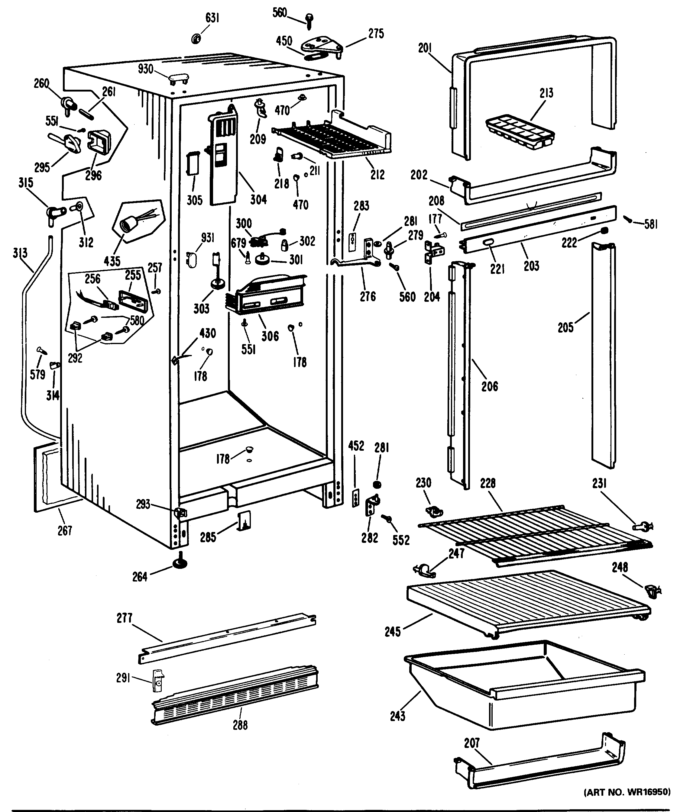
CTFP14CKCR 1