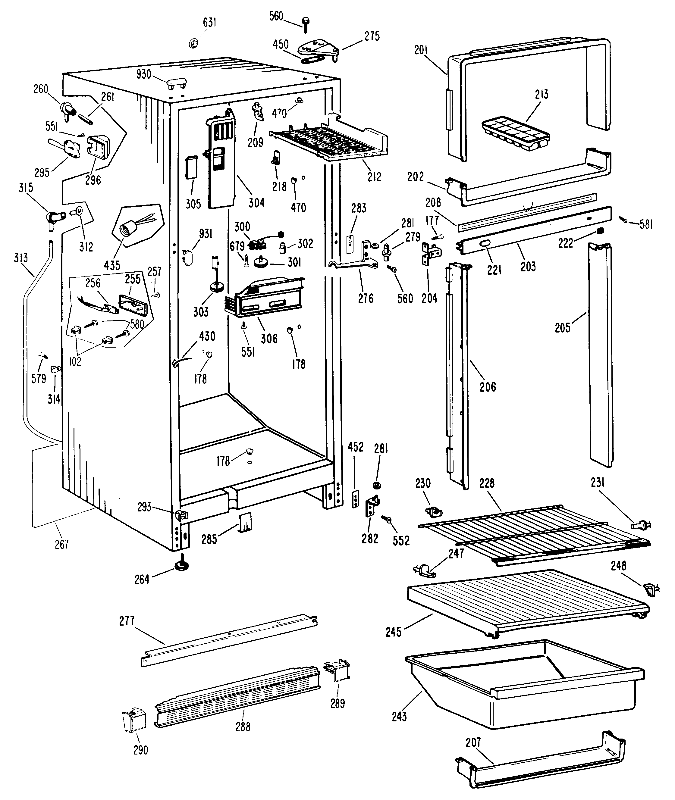
CTFP16CJCL 1