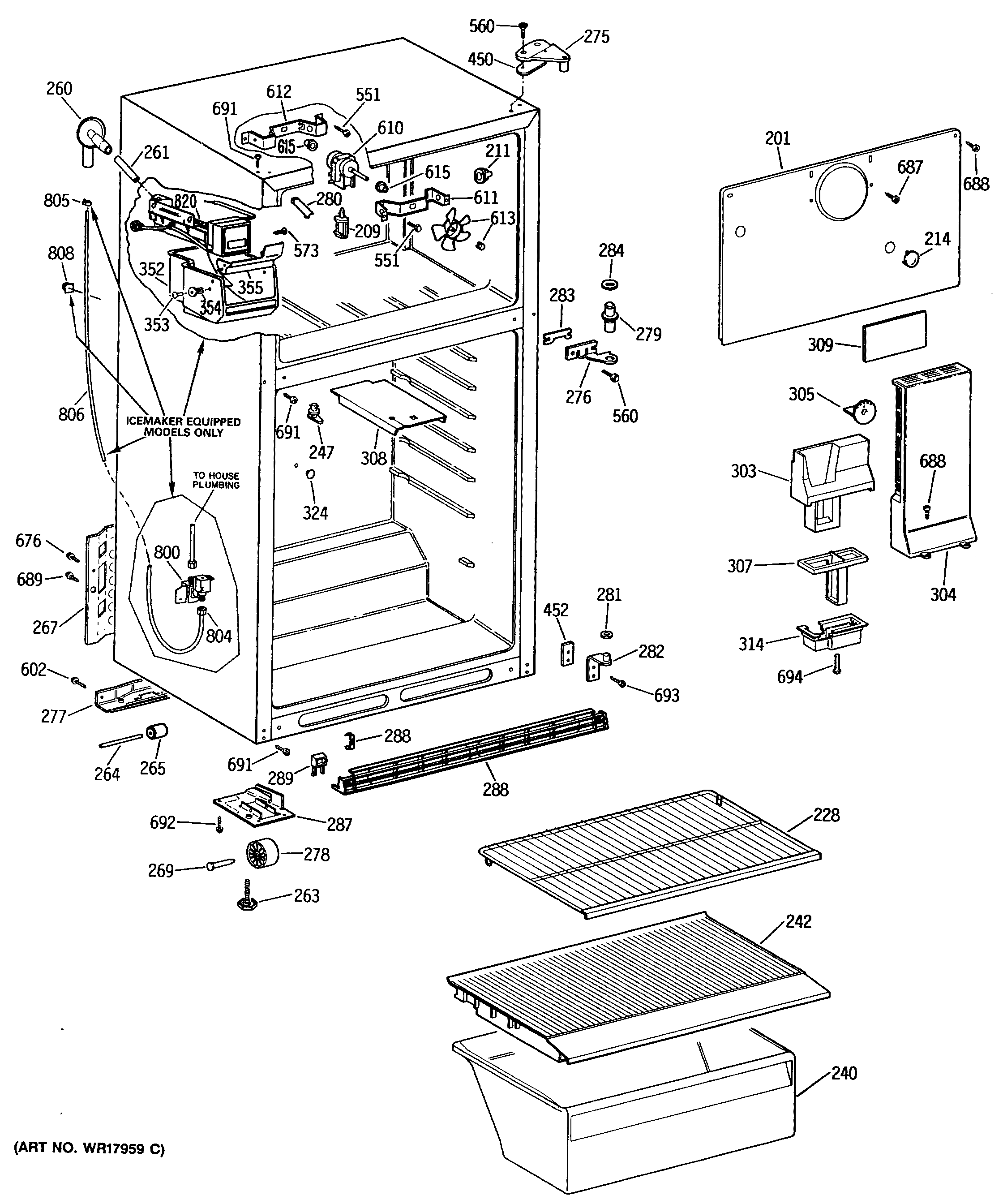
CTX16CISFLAD 1