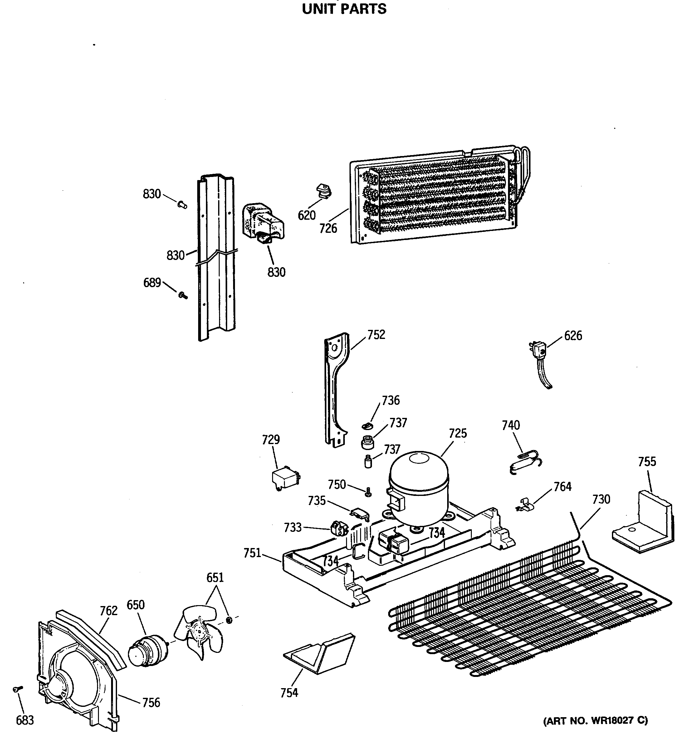
CTX18BASGRAD UNIT PARTS