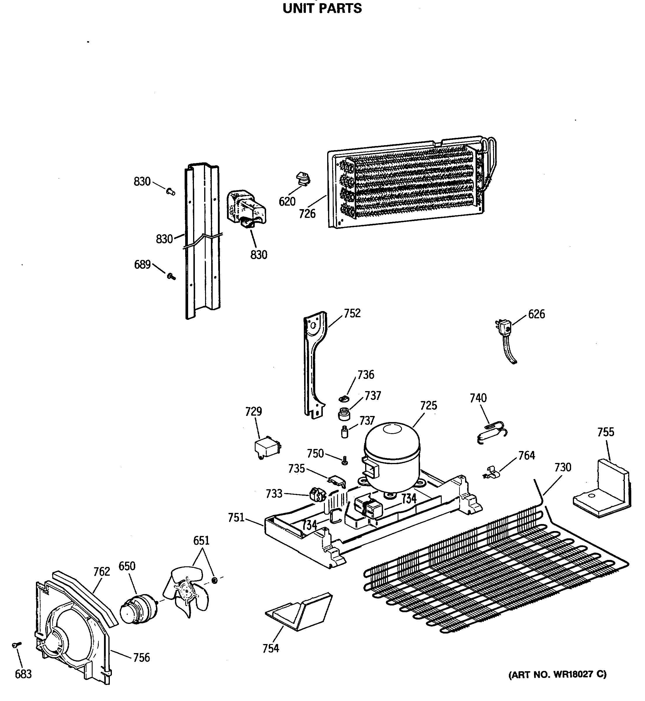
CTX18BASGRWH UNIT PARTS