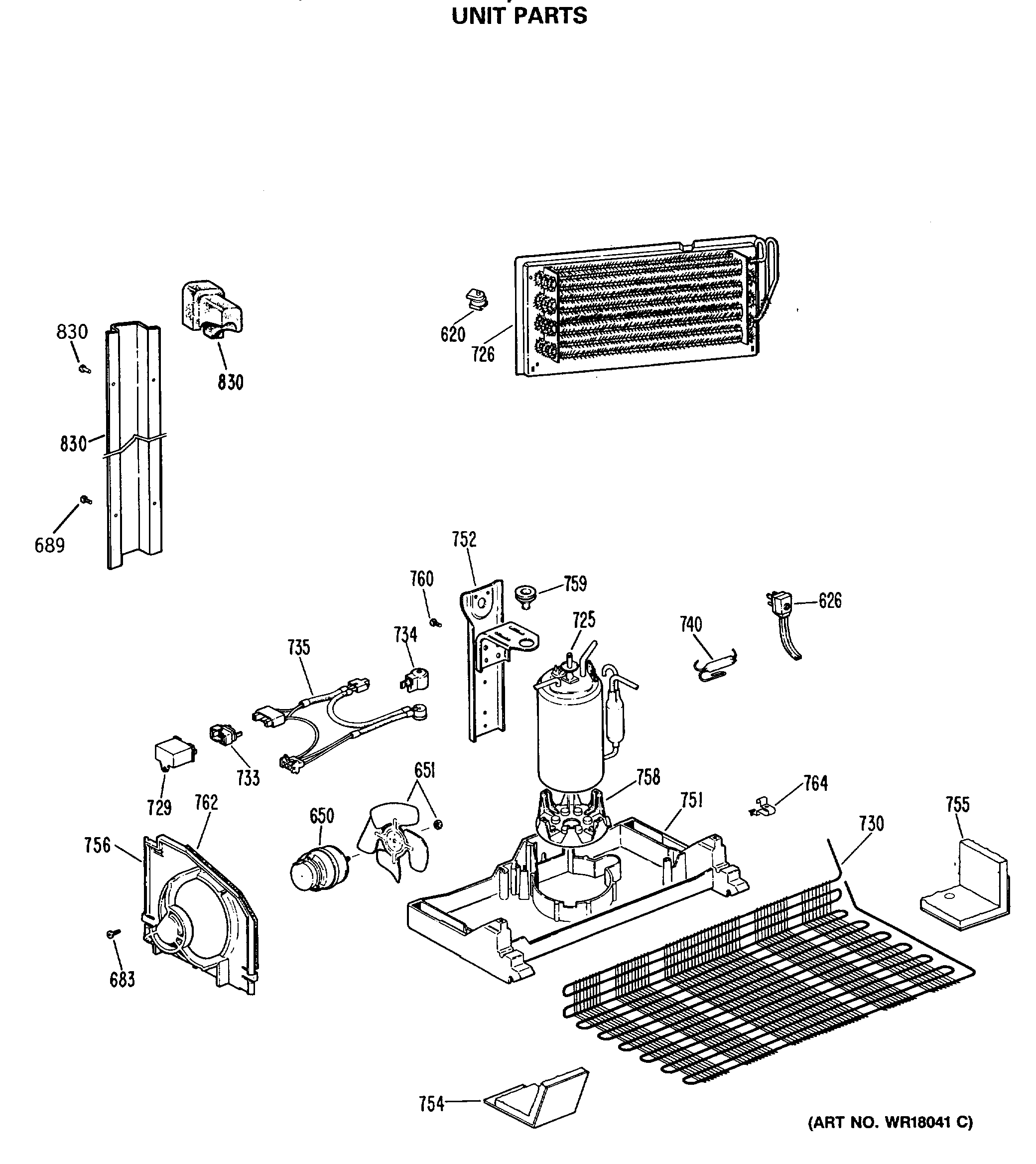
CTX18GASERAD UNIT PARTS