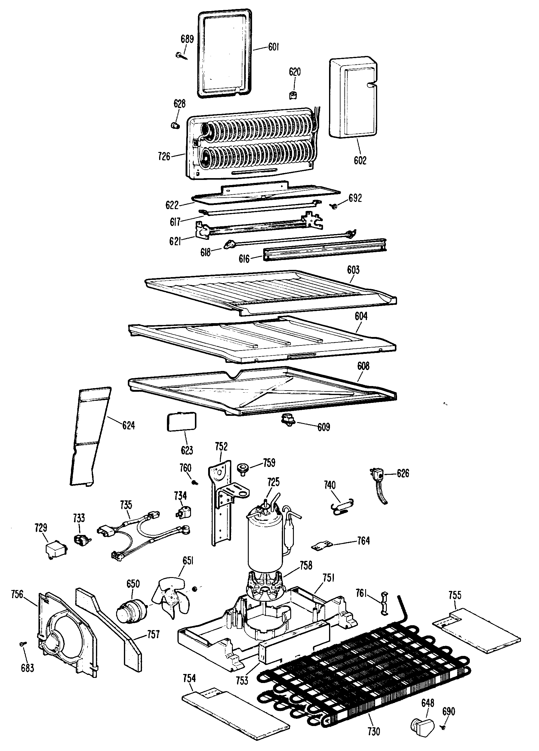
CTX20EHBR 2