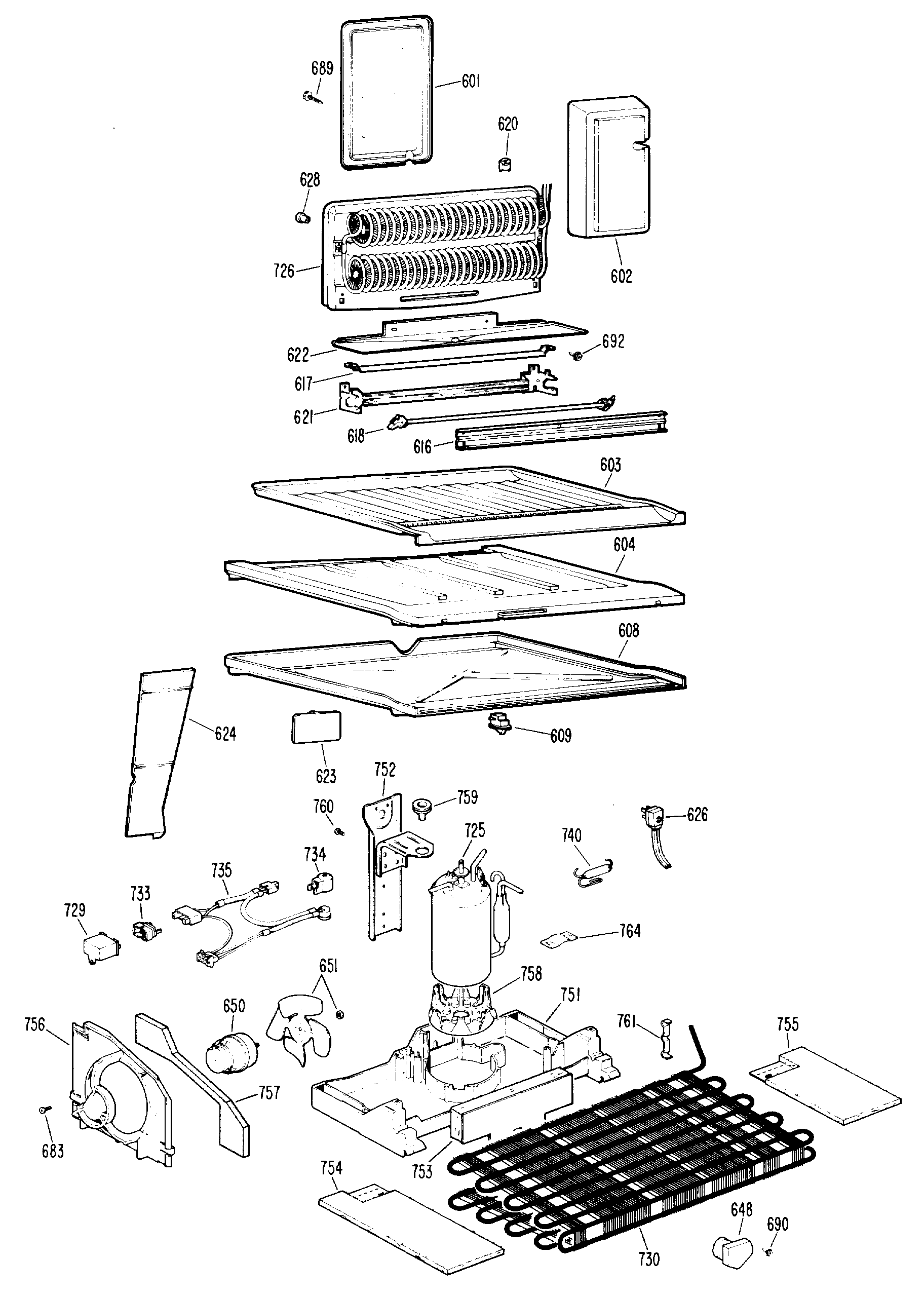
CTX20PJBR 2