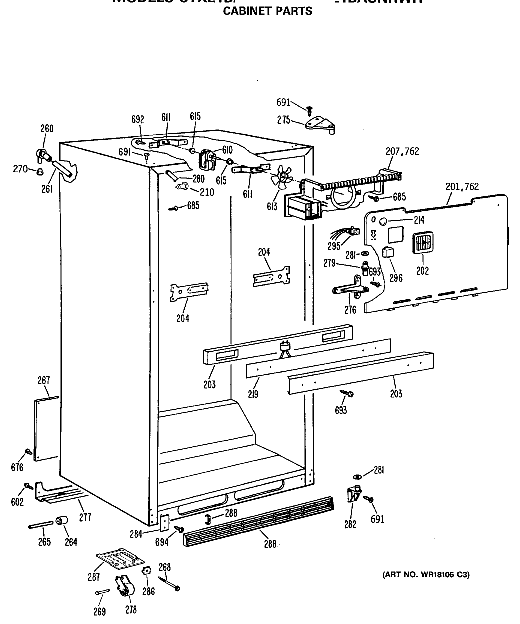
CTX21BASNRAD CABINET PARTSadmin2025-04-26T08:36:16+00:00CTX21BASNRAD CABINET PARTS ProductsPositionProduct201GEN WR17X2228202GEN WR02X7019203GEN WR14X0352204GEN WR02X7823204GEN WR02X7822207GEN WR17X2164210GEN WR02X6261214WR02X11760 GE Refrigerator Plug Button219GEN WR51X0356260GEN WR02X7773261GEN WR02X6087264WR2X3594 GE Refrigerator Wheel265GEN WR01X1774267GEN WR82X0320268GEN WR01X1816269GEN WR01X1803270WR2X8247 GE Refrigerator Plug Button275HINGE TOP ASM276GEN WR13X0585277GEN WR17X2236278GEN WR02X8506279GEN WR13X0587280CAP CORNER O.C. AD281WR1X1797D GE Refrigerator Washer Package282GEN WR13X0651284CAP BTM CORNER286GEN WR01X1815287GEN WR02X8505288GEN WR74X0202288GEN WR02X7646295GEN WR23X0315296GEN WR02X8444602WR1X1591 GE Refrigerator Screw610GEN WR60X0190611GEN WR02X7664613WR60X114 GE Refrigerator Evaporator Motor Fan Blade613WR60X123 GE Fan Blade Black615GEN WR02X7391676WD2X5166 GE Dishwasher Screw685WR01X10606 GE Refrigerator Screw 8-18 CA HX 1/2 S691GEN WR01X1644691SCREW 12-24692SCREW693WR1X1754D GE Refrigerator Screw Package694GEN WR01X1752762GEN WR14X0313