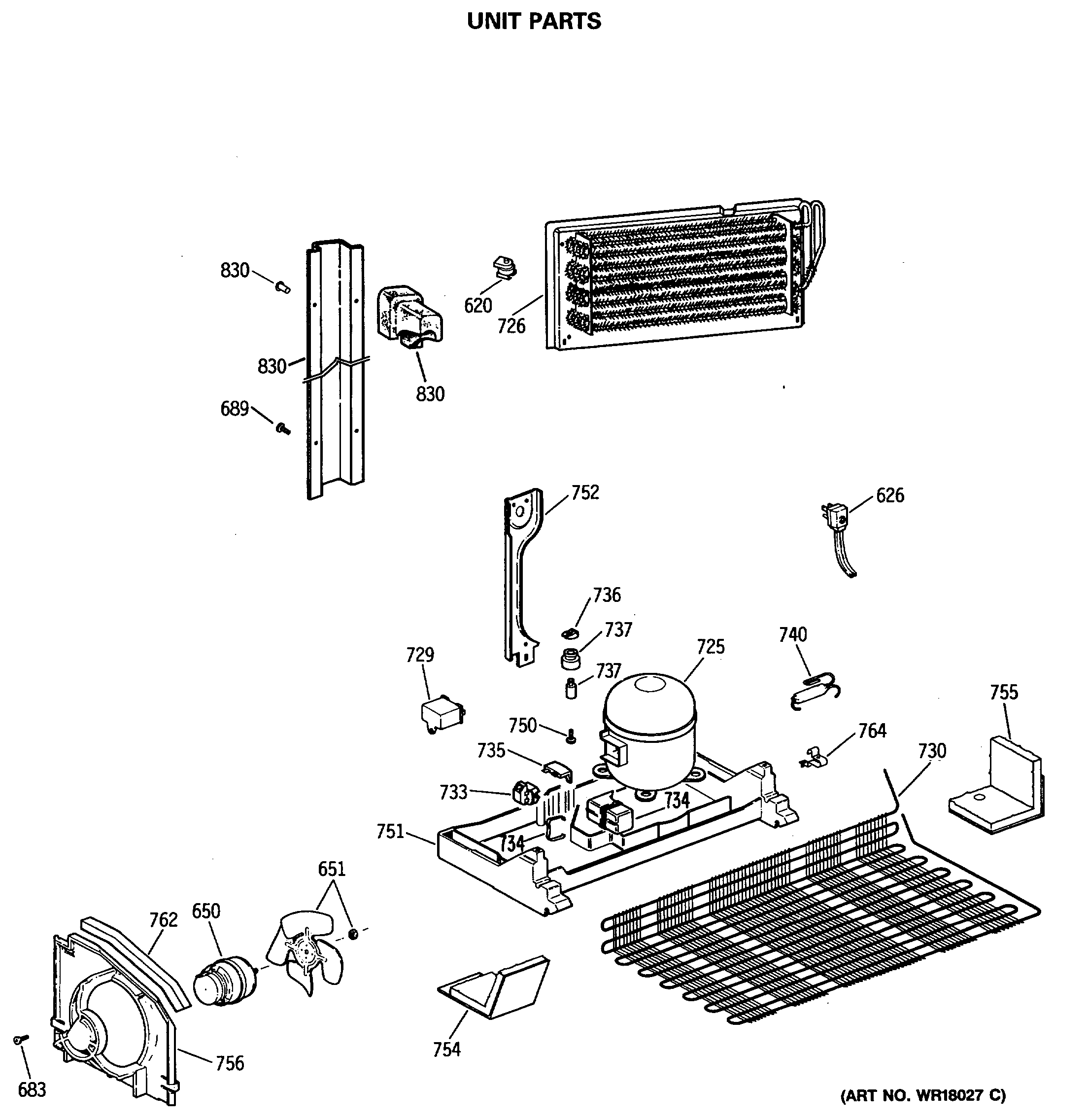
CTX21EASMRAD UNIT PARTS