CTX25DKCR 0

CTX25DKCR 0

Products

PositionProduct
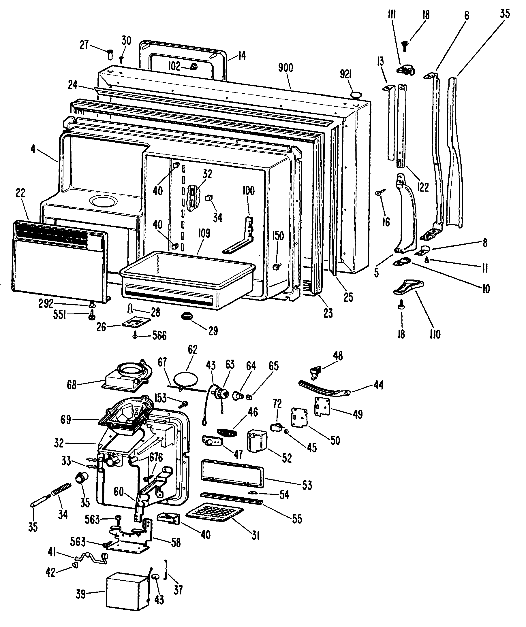
4GEN WR77X0511
5GEN WR12X0463
6GEN WR12X0613
8GEN WR02X7793
10GEN WR02X7140
11SCREW 8-18 B 7/16
13GEN WR02X7868
14GEN WR38X1043
14GEN WR02X4946
14GEN WR01X1551
16GEN WR01X1565
18SCREW-PKG 12
18GEN WR01X1569
22GEN WR17X2306
23GASKET DOOR FZ WH
24GEN WR17X2136
25GEN WR17X2135
26GEN WR02X7681
27GEN WR02X7781
28DOOR THIMBLE
29GEN WR02X7619
29GEN WR02X7618
30SCREW
31GEN WR02X5997
32RECESS DISP BLACK
32GEN WR72X0103
33GEN WR72X0102
33GEN WR51X0253
34GEN WR01X1764
34SPRING-RECESS DUCT
35GEN WR12X0611
35PLUNGER SCW & SLEEVE
37GEN WR02X4248
39GEN WR09X0268
40GEN WR02X7857
40GEN WR02X7858
41GEN WR17X1048
42GEN WR02X4234
43GEN WR02X4749
43GEN WR02X4069
44GEN WR02X4685
45GEN WR02X4240
46GEN WR02X3950
47GEN WR02X3948
48GEN WR02X7634
49GEN WR02X4592
50GEN WR02X4591
52GEN WR02X4593
53GEN WR02X7867
54GEN WR02X4231
55GEN WR38X0851
57GASKET RECESS DISP
58GEN WR17X1370
60GEN WR02X7810
62GEN WR17X1255
63PULLEY TIME DELAY
64ARM TIME DELAY DISPLAY
65RING COMPRESSION
66WASHER
67CRANK DOOR DUCT DISP
68PAD-R & L SIDES
68GEN WR14X0260
68GEN WR17X1355
69GEN WR17X5881
72PLATE MTG-DISP SWITCH
72SUPPORT SW.
72SWITCH SELECT-CUBES DISP
100GEN WR02X7688
102GEN WR02X4990
109GEN WR71X1848
110GEN WR02X7791
111GEN WR02X7792
122GEN WR12X0608
150WR1X1791D GE Refrigerator Screw Package
155GEN WZ04X0324
179SCREW
209GEN WR02X7015
270GEN WR02X3248
292GEN WR01X1326
357GEN WR01X1750
551GEN WZ04X0244
566GEN WR01X1487
578WZ2X464D GE Screw
635GEN WR01X1684
676WD2X5166 GE Dishwasher Screw
684GEN WR01X1758
685GEN WR01X1730
900GEN WR78X7949
900GEN WR78X7950
900GEN WR78X7951
921GEN WR02X7624
921PLUG BUTTON AD
9999GEN 39-6244
9999GEN 31-5025