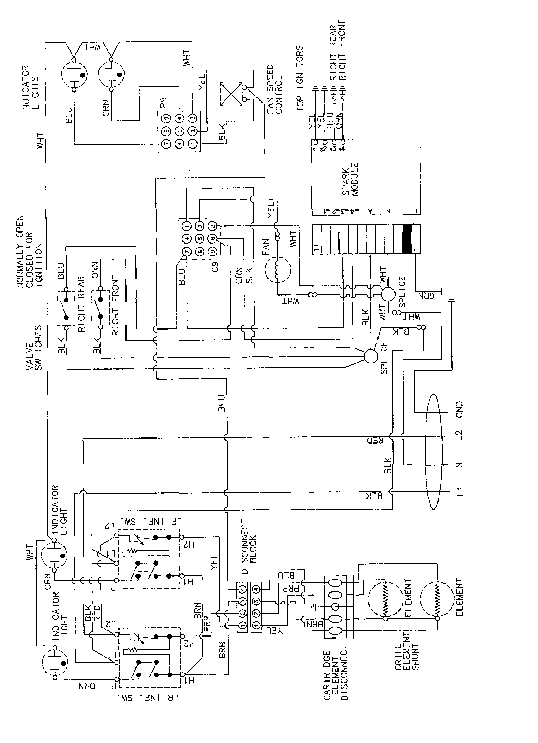
CVDX4180B 05 – WIRING INFORMATIONadmin2025-04-26T11:19:13+00:00CVDX4180B 05 – WIRING INFORMATION ProductsPositionProductNIMAY 15002430NIMAY 15002461