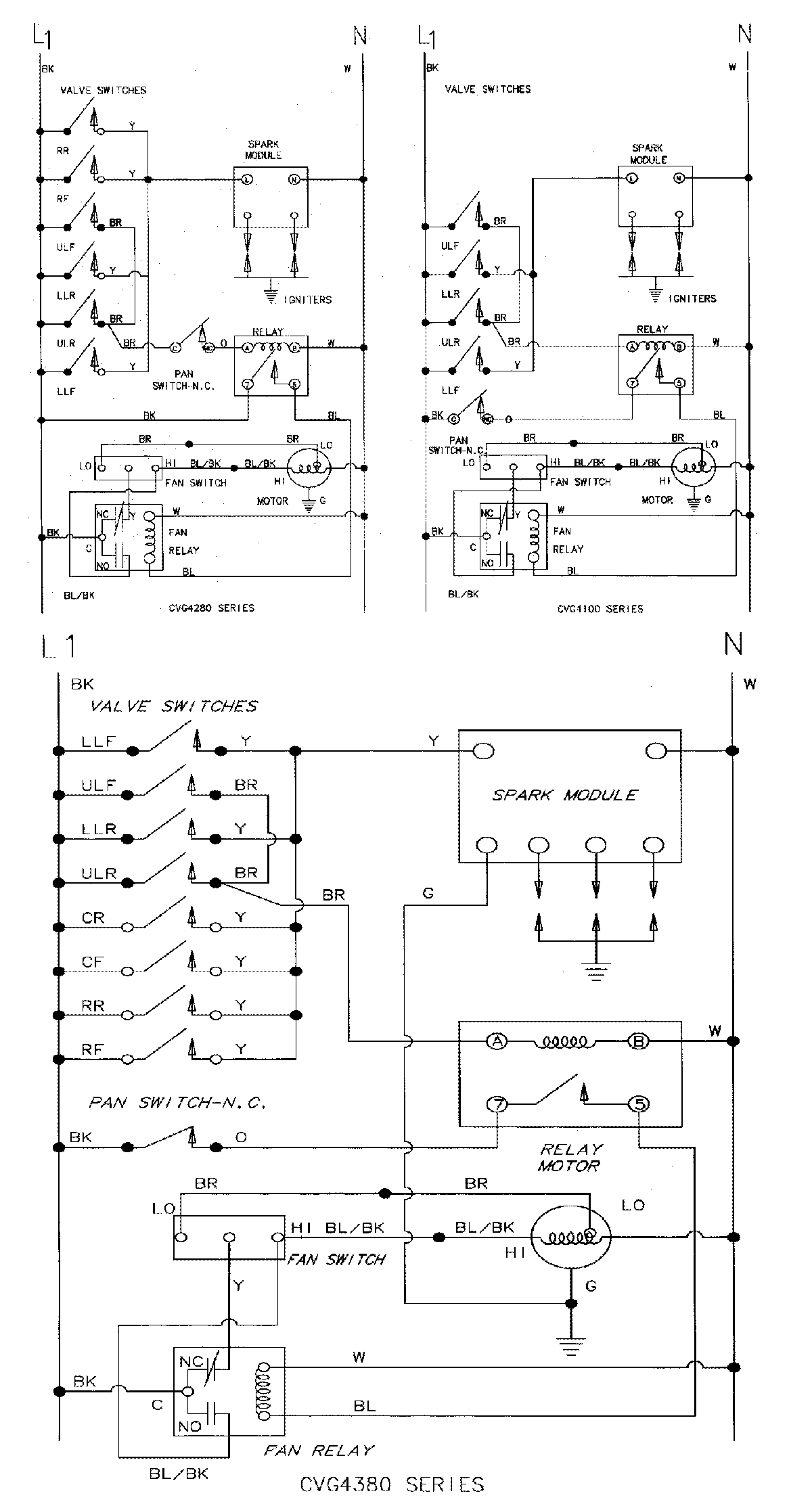
CVG4100B 05 – WIRING INFORMATIONadmin2025-04-26T11:19:27+00:00CVG4100B 05 – WIRING INFORMATION ProductsPositionProductNIMAY 15002637