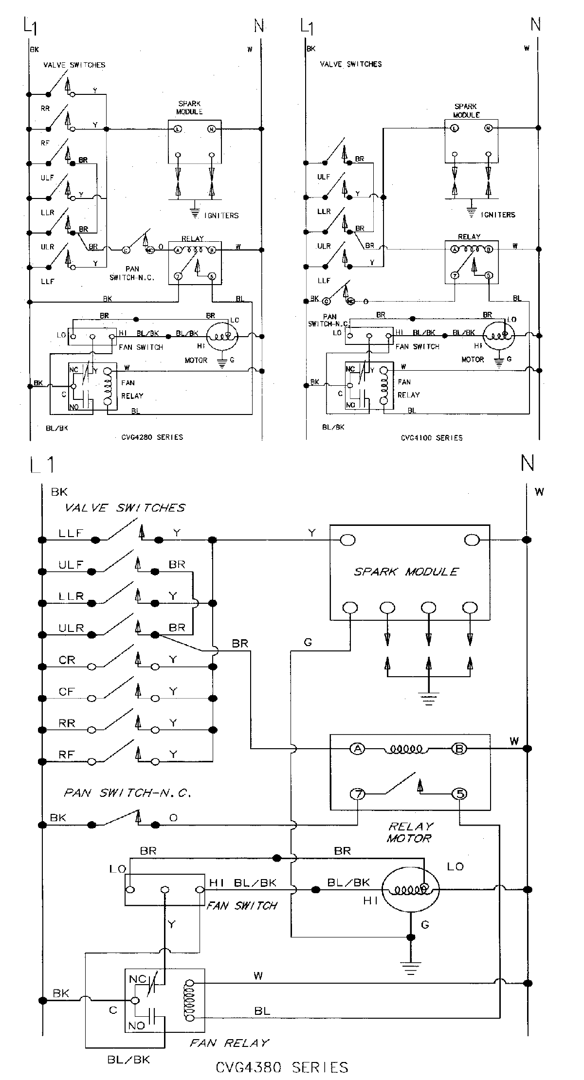
CVG4280B 05 – WIRING INFORMATIONadmin2025-04-26T11:18:29+00:00CVG4280B 05 – WIRING INFORMATION ProductsPositionProductNIMAY 15002637