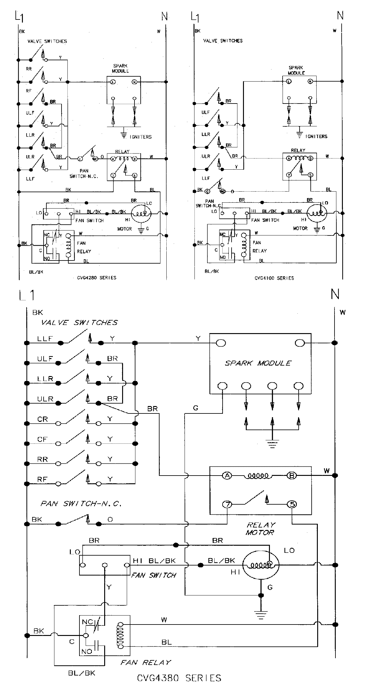
CVG4280S 05 – WIRING INFORMATIONadmin2025-04-26T11:20:13+00:00CVG4280S 05 – WIRING INFORMATION ProductsPositionProductNIMAY 15002637