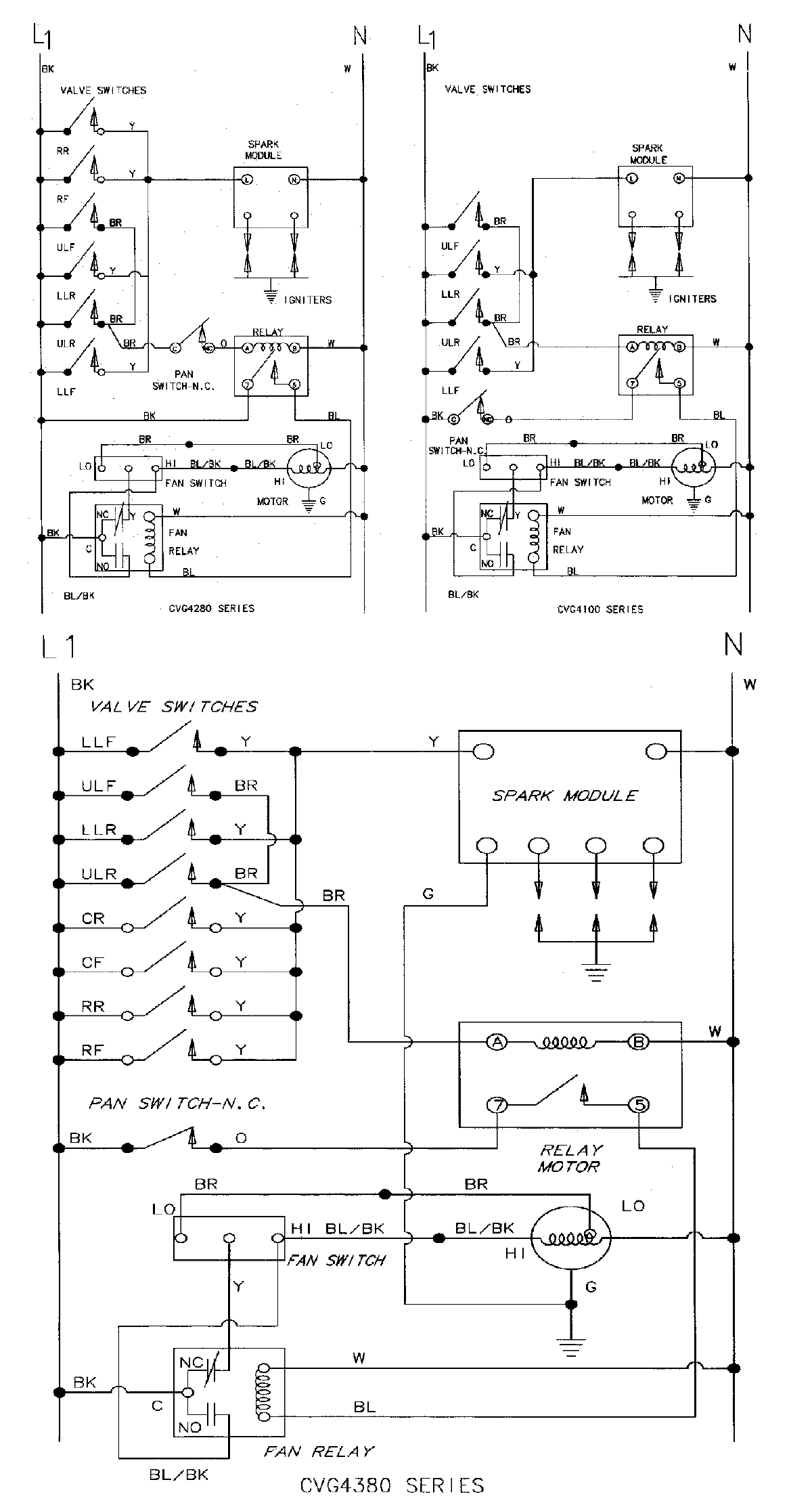
CVG4280W 05 – WIRING INFORMATIONadmin2025-04-26T11:20:08+00:00CVG4280W 05 – WIRING INFORMATION ProductsPositionProductNIMAY 15002637