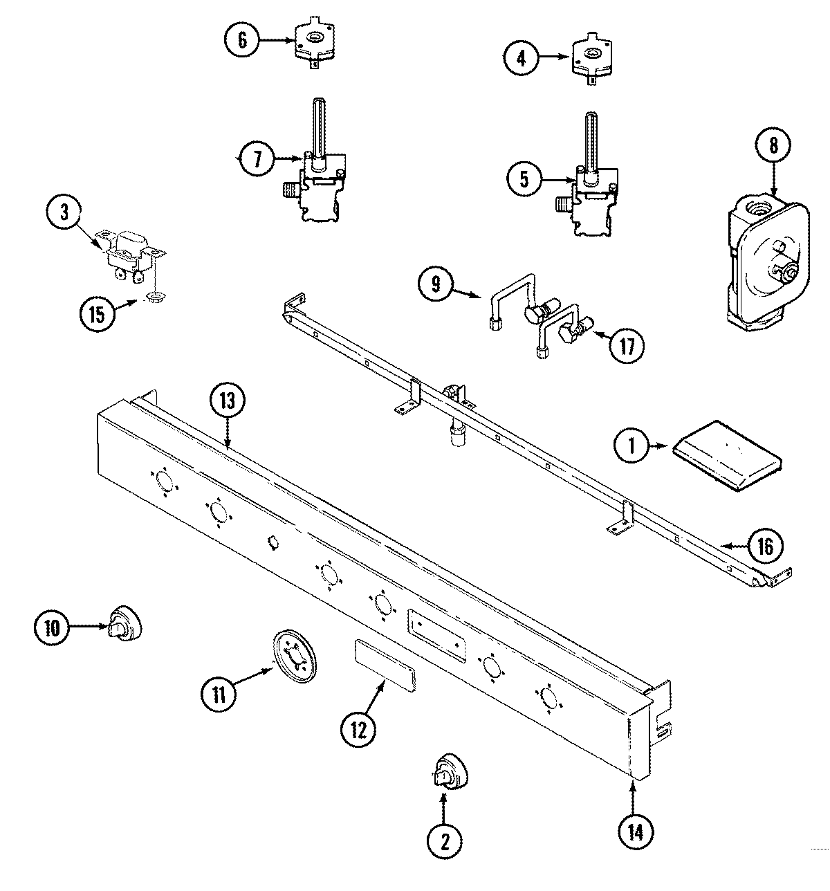
CVG4380PG 03 – CONTROL PANELadmin2025-04-26T11:17:43+00:00CVG4380PG 03 – CONTROL PANEL ProductsPositionProductNIMAY Y04100792NIMAY Y04100687NIMAY 71001051NIMAY 71001049NIMAY 71001905NIMAY 160003261MAY 710010522WP71001057 Whirlpool Control Knob3MAY 710010474WP4330739 Whirlpool Igniter Switch5VALVE-GAS6WPY704513 Whirlpool Oven Igniter Switch7MAY Y041001878W11106948 Whirlpool Pressure Regulator9MAY 710010469MAY 7100104510MAY 7100104211MAY 7100297811MAY 7100105612MAY 7100189413MAY 7100104814MAY 7100189714MAY 71001898157103P166-60 Whirlpool Nut16MAY 7100104017MAY 7100104417MAY 7100104317MAY Y705019