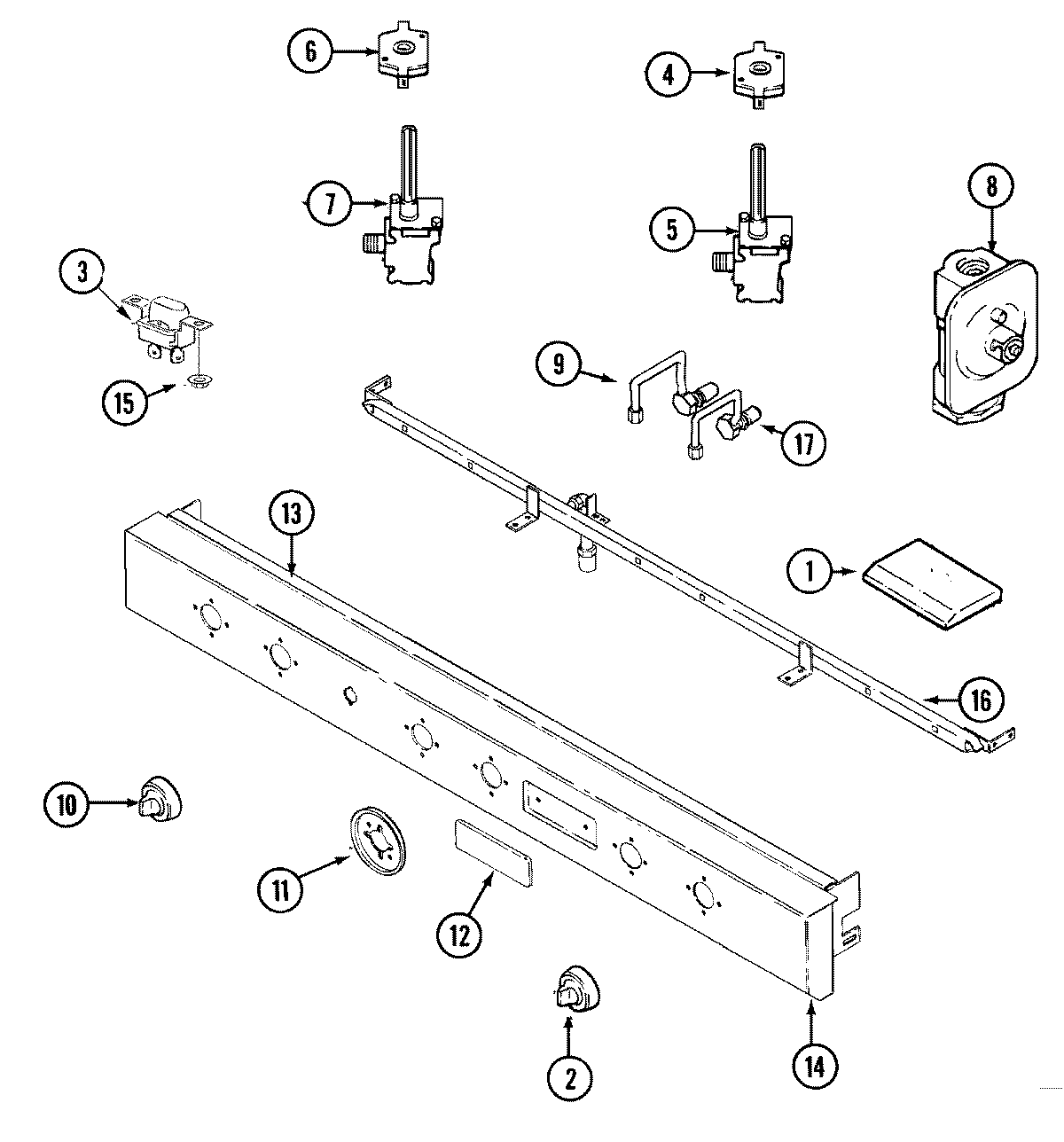
CVG4380PU 03 – CONTROL PANELadmin2025-04-26T11:18:09+00:00CVG4380PU 03 – CONTROL PANEL ProductsPositionProductNIMAY 71001049NIMAY Y04100687NIMAY 71001051NIMAY Y04100792NIMAY 71001905NIMAY 160003261MAY 710010522WP71001057 Whirlpool Control Knob3MAY 710010474WP4330739 Whirlpool Igniter Switch5VALVE-GAS6WPY704513 Whirlpool Oven Igniter Switch7MAY Y041001878W11106948 Whirlpool Pressure Regulator9MAY 710010459MAY 7100104610MAY 7100104211MAY 7100105611MAY 7100297812MAY 7100189413MAY 7100104814MAY 7100190414MAY 71001903157103P166-60 Whirlpool Nut16MAY 7100104017MAY 7100104417MAY 7100104317MAY Y705019