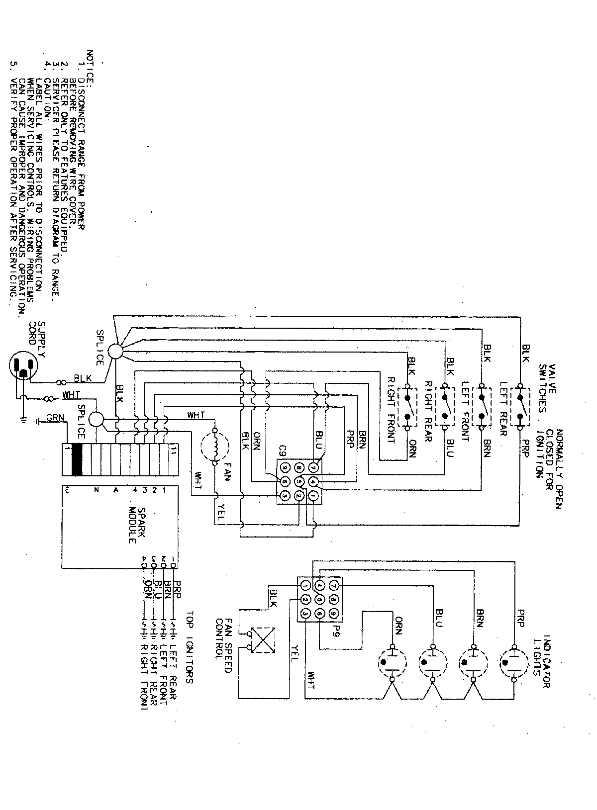
CVGX2423Q 05 – WIRING INFORMATION

CVGX2423Q 05 – WIRING INFORMATION

Products

PositionProduct
NIMAY 15003345